GM Service Manual Online
For 1990-2009 cars only
Makes
🢒
Opel
🢒
2008
🢒
Antara
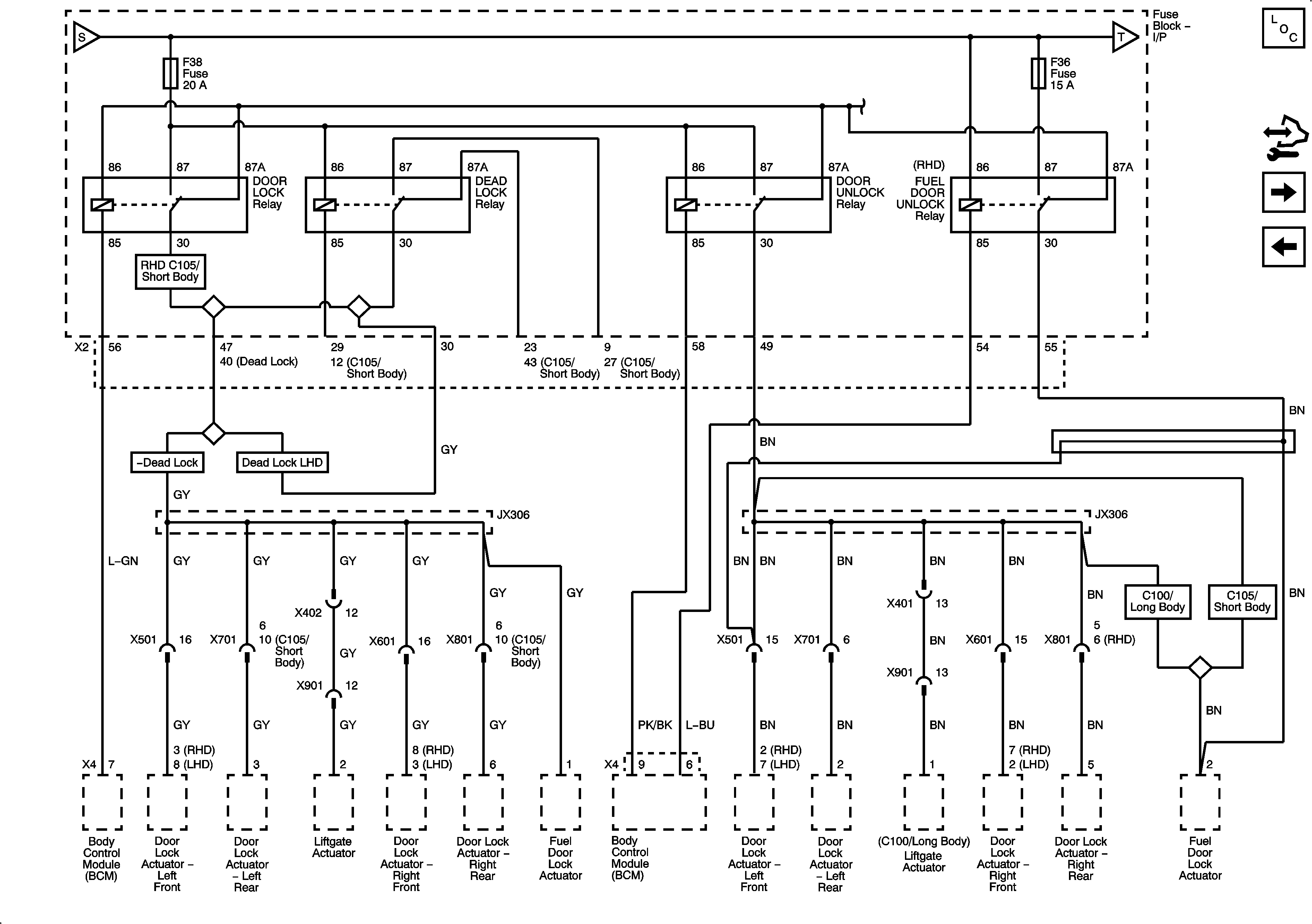
🢒 F38 Fuse, Door Lock and Unlock Relays
F38 Fuse, Door Lock and Unlock Relays
F38 Fuse, Door Lock and Unlock Relays
Master Electrical Component List
Control Module References
EF7, F6, 8, 9, 13, 17, 20, 25, 27, 29 Fuses, Run/Crank, Rear Fog Lamps, Outside Rearview Mirror, liftgate Glass Relays
F3, 5, 28, 32, 34 Fuses