GM Service Manual Online
For 1990-2009 cars only
Makes
🢒
Opel
🢒
2008
🢒
GT
🢒
Diagnostic Navigation
🢒
Vehicle Diagnostic Information
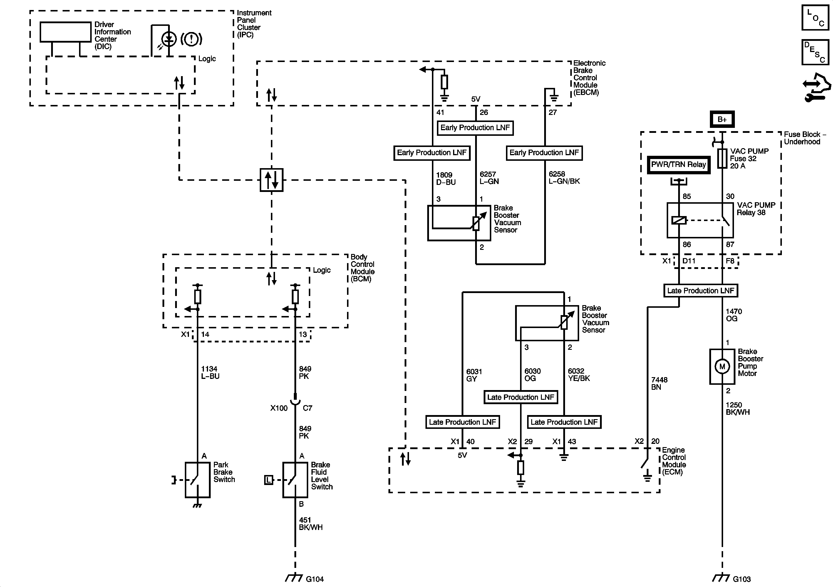
🢒 Hydraulic Brake Schematics
Master Electrical Component List
Brake Warning System Description and Operation
Control Module References
Data Communication Schematics
DLC, ECM, EXH, INJ IGN MDL, and TURBO Fuses
B+ Bar - 2 of 2
G103, G104, G105, G106, G304
G103, G104, G105, G106, G304