GM Service Manual Online
For 1990-2009 cars only
Makes
🢒
Opel
🢒
2008
🢒
GT
🢒
Diagnostic Navigation
🢒
Vehicle Diagnostic Information
🢒 Exterior Lights Schematics
Figure
1:
Park Lamps
Master Electrical Component List
Exterior Lighting Systems Description and Operation
Control Module References
Backup Lamp and Stop Lamps
Dimmer Switch
B+ Bar - 2 of 2
Headlights/Daytime Running Lights (DRL) Schematics
G300 - 1 of 2
G101 and G102
G101 and G102
G301, G302, G303, G400, G402
G301, G302, G303, G400, G402
Figure
2:
Backup Lamp and Stop Lamps
Master Electrical Component List
Exterior Lighting Systems Description and Operation
Control Module References
Turn Signals and Hazard Lamps
Park Lamps
B+ Bar - 1 of 2
ECM/TRANS, I/P/ IGN, OUTLET/LTR, AIRBAG, EPS/STR WHL CNTRL, HVAC/IP IGN, WPR, CAN VENT, BCK/UP LAMP, and ABS Fuses
ECM/TRANS, I/P/ IGN, OUTLET/LTR, AIRBAG, EPS/STR WHL CNTRL, HVAC/IP IGN, WPR, CAN VENT, BCK/UP LAMP, and ABS Fuses
G301, G302, G303, G400, G402
G301, G302, G303, G400, G402
G101 and G102
G301, G302, G303, G400, G402
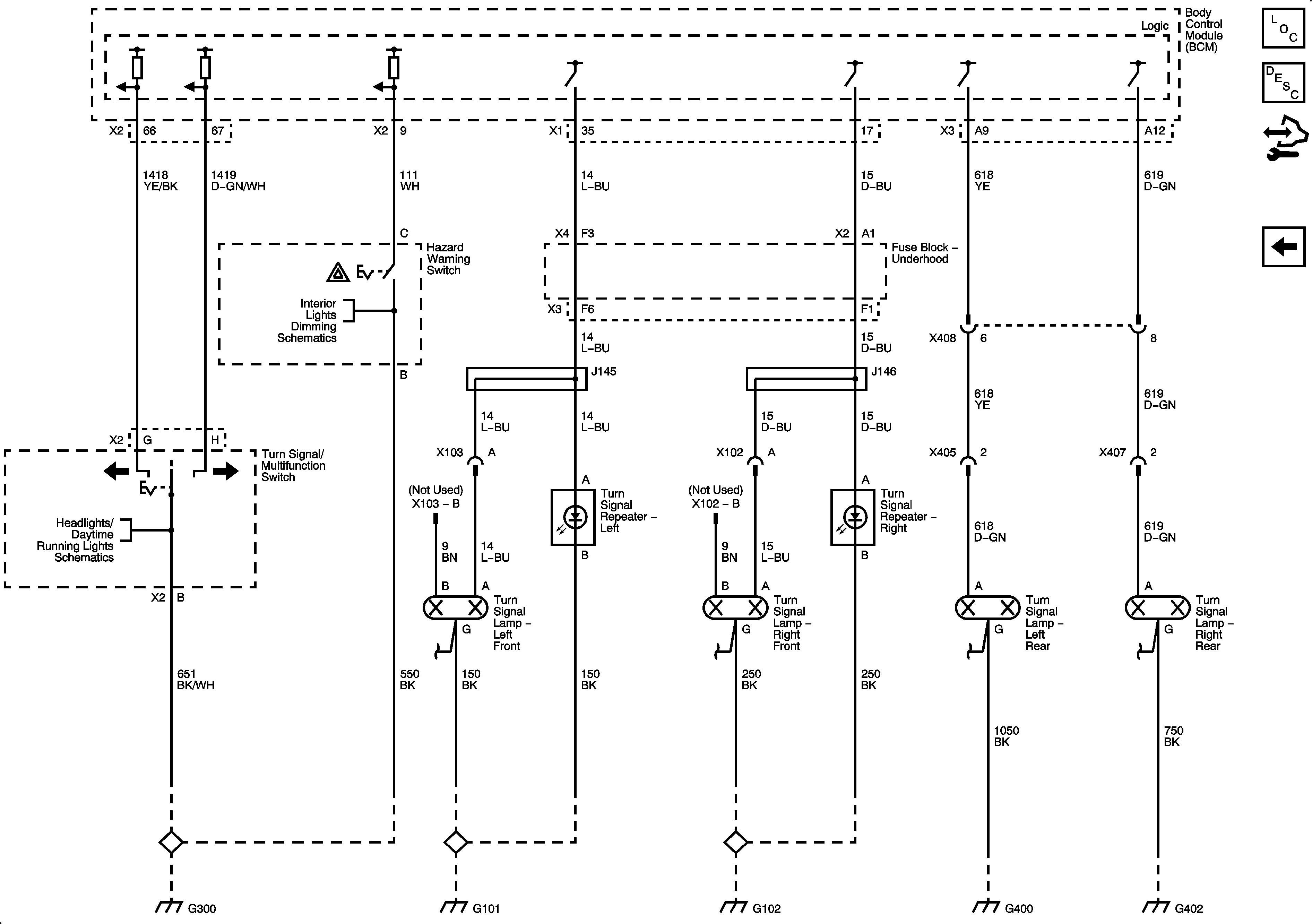
Figure
3:
Turn Signals and Hazard Lamps
Master Electrical Component List
Exterior Lighting Systems Description and Operation
Control Module References
Backup Lamp and Stop Lamps
Lights
Headlights/Daytime Running Lights (DRL) Schematics
G300 - 1 of 2
G101 and G102
G101 and G102
G301, G302, G303, G400, G402
G301, G302, G303, G400, G402