GM Service Manual Online
For 1990-2009 cars only
Makes
🢒
Opel
🢒
2008
🢒
GT
🢒 Engine Cooling Schematics
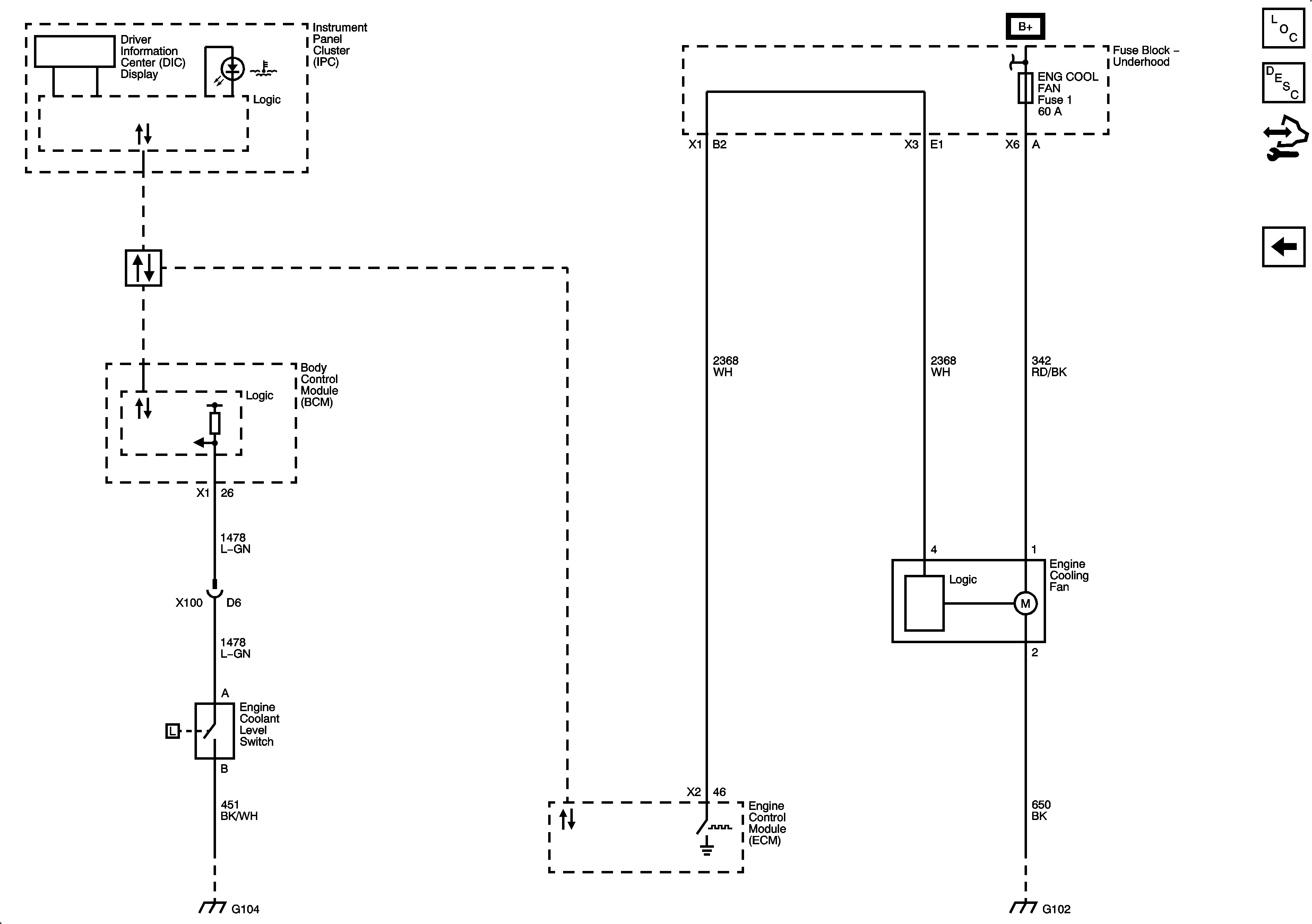
Engine Cooling Schematics
Master Electrical Component List
Cooling Fan Description and Operation
Control Module References
ABS, ABS/BCM, MIR, COOL FAN, RKE Fuses and PWR SEATS Circuit Breaker
Data Communication Schematics
G101 and G102
G103, G104, G105, G106, G304