GM Service Manual Online
For 1990-2009 cars only
Makes
🢒
Opel
🢒
2008
🢒
GT
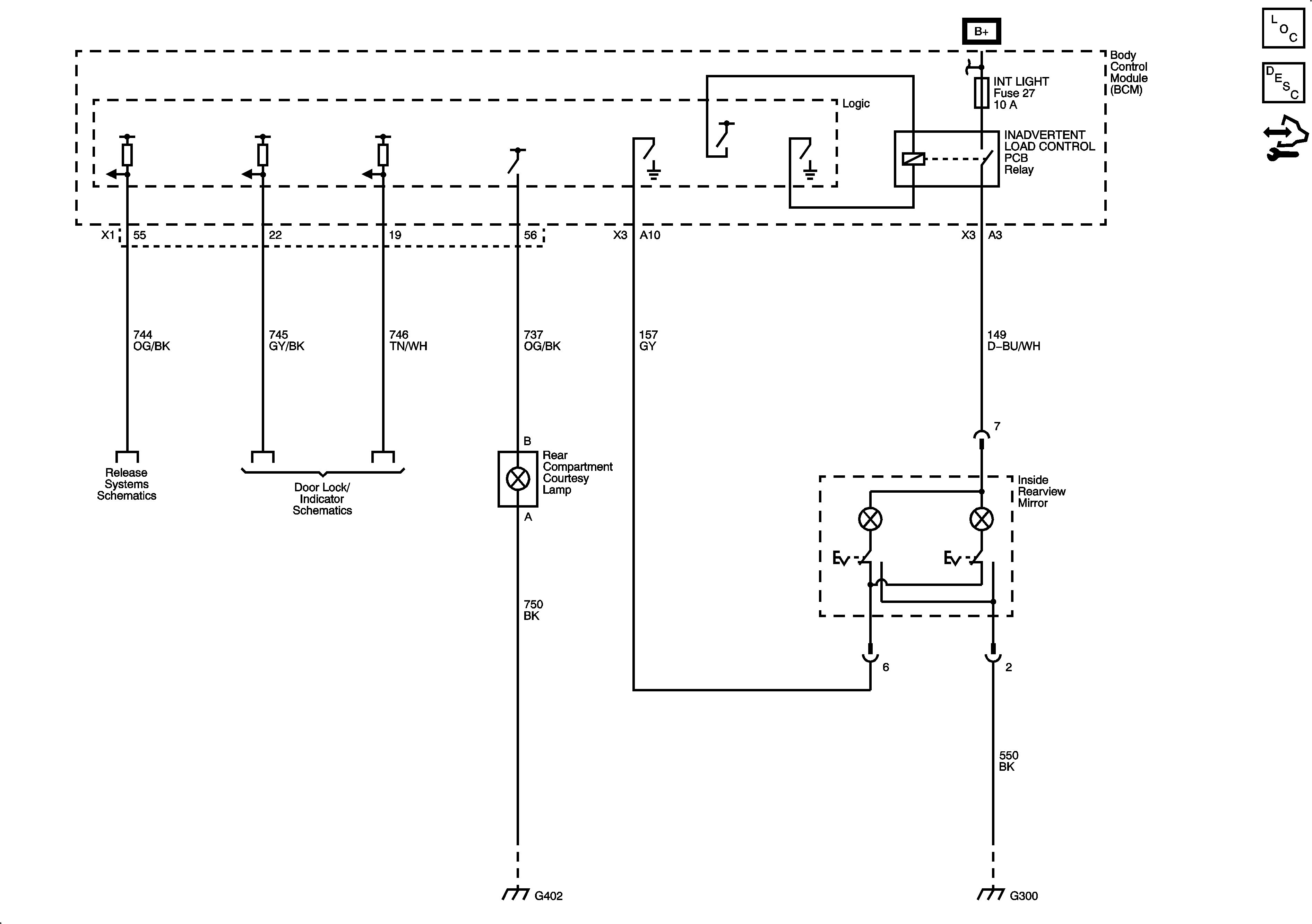
🢒 Interior Lights Schematics - Outputs
Interior Lights Schematics - Outputs
Master Electrical Component List
Interior Lighting Systems Description and Operation
Control Module References
BCM, DR LCK, ECM/TCM. INT LIGHT, PWR WNDW, RDO and SDM Fuses
Release Systems Schematics
Door lock/Indicator Schematics
G301, G302, G303, G400, G402
G300 - 2 of 2