GM Service Manual Online
For 1990-2009 cars only
Makes
🢒
Opel
🢒
2008
🢒
GT
🢒 Sensors and Switches
Sensors and Switches
Sensors and Switches
Master Electrical Component List
Indicator/Warning Message Description and Operation
Control Module References
Instrument Cluster
Data Communication Schematics
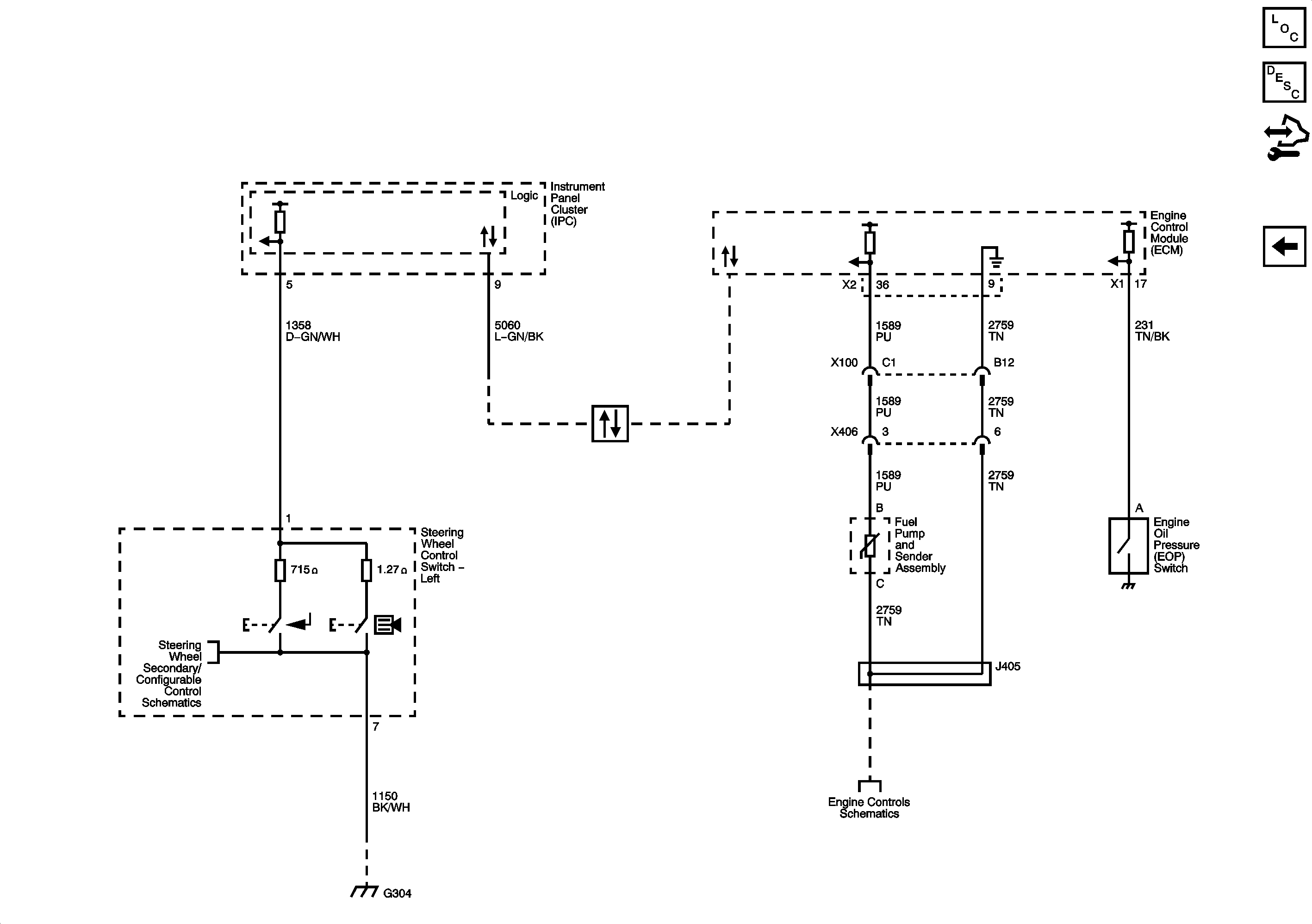
G103, G104, G105, G106, G304
Fuel Controls - Fuel Pump Controls and Fuel Injectors