GM Service Manual Online
For 1990-2009 cars only
Makes
🢒
Pontiac
🢒
2005
🢒
Aztek - AWD
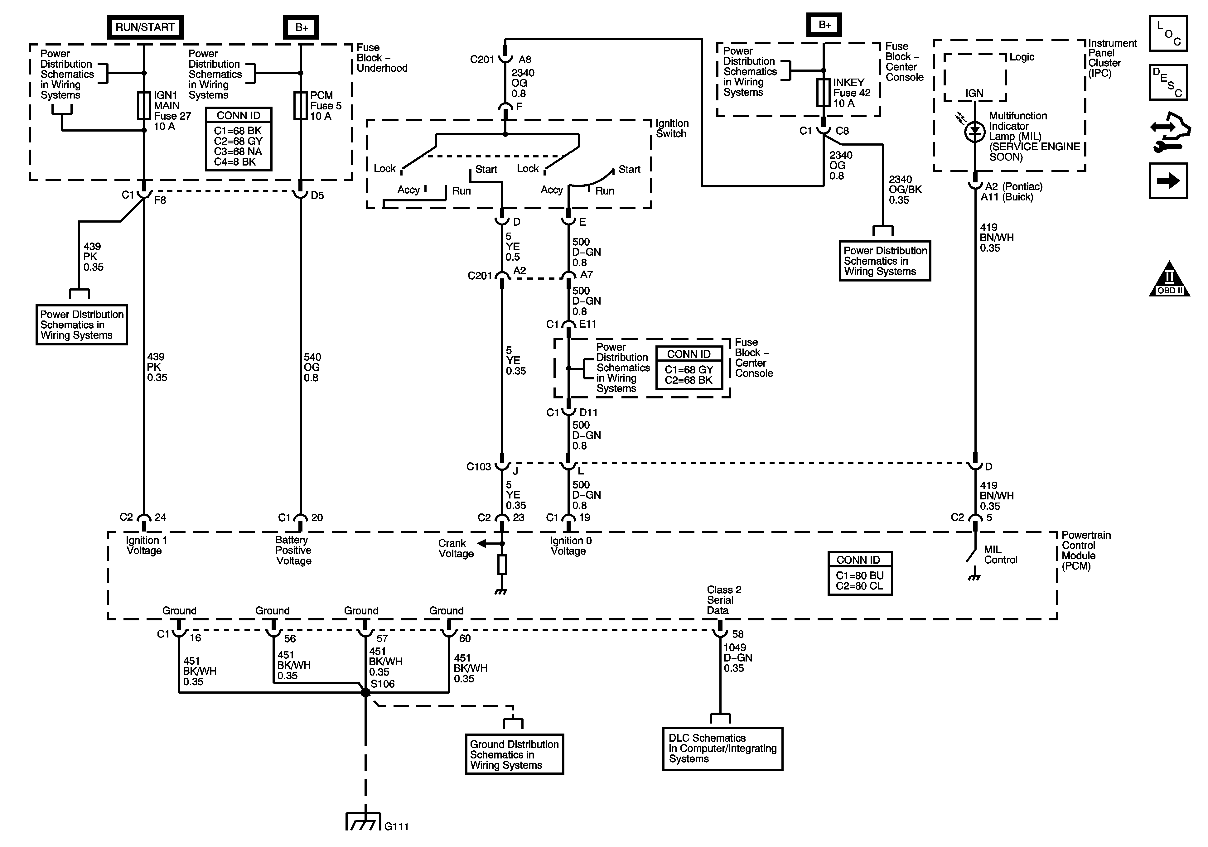
🢒 Power, DLC, Ground and MIL
Power, DLC, Ground and MIL
Power, DLC, Ground, and MIL
Master Electrical Component List
Powertrain Control Module Description
Control Module References
Ignition Control, KS
BTSI (3.4L), CRUISE, IGN 1 MAIN, and TRN SIG Fuses
ABSMTR, ABS SOL, BCM, DVD, ECM (3.6L), FRT AUX, PCM (3.4L), S BAND, and VENT SOL Fuses
Ignition Switch - ACCY/RUN/START, RUN, and START Bus Bars and BLWR, IGN0, and KEY SOL Fuses
BTSI (3.4L), CRUISE, IGN 1 MAIN, and TRN SIG Fuses
Ignition Switch - ACCY/RUN/START, RUN, and START Bus Bars and BLWR, IGN0, and KEY SOL Fuses
Ignition Switch - ACCY/RUN/START, RUN, and START Bus Bars and BLWR, IGN0, and KEY SOL Fuses
G132 - LY7 and G111
G132 - LY7 and G111
Data Link Connector (DLC)