GM Service Manual Online
For 1990-2009 cars only
Makes
🢒
Pontiac
🢒
2005
🢒
Aztek - AWD
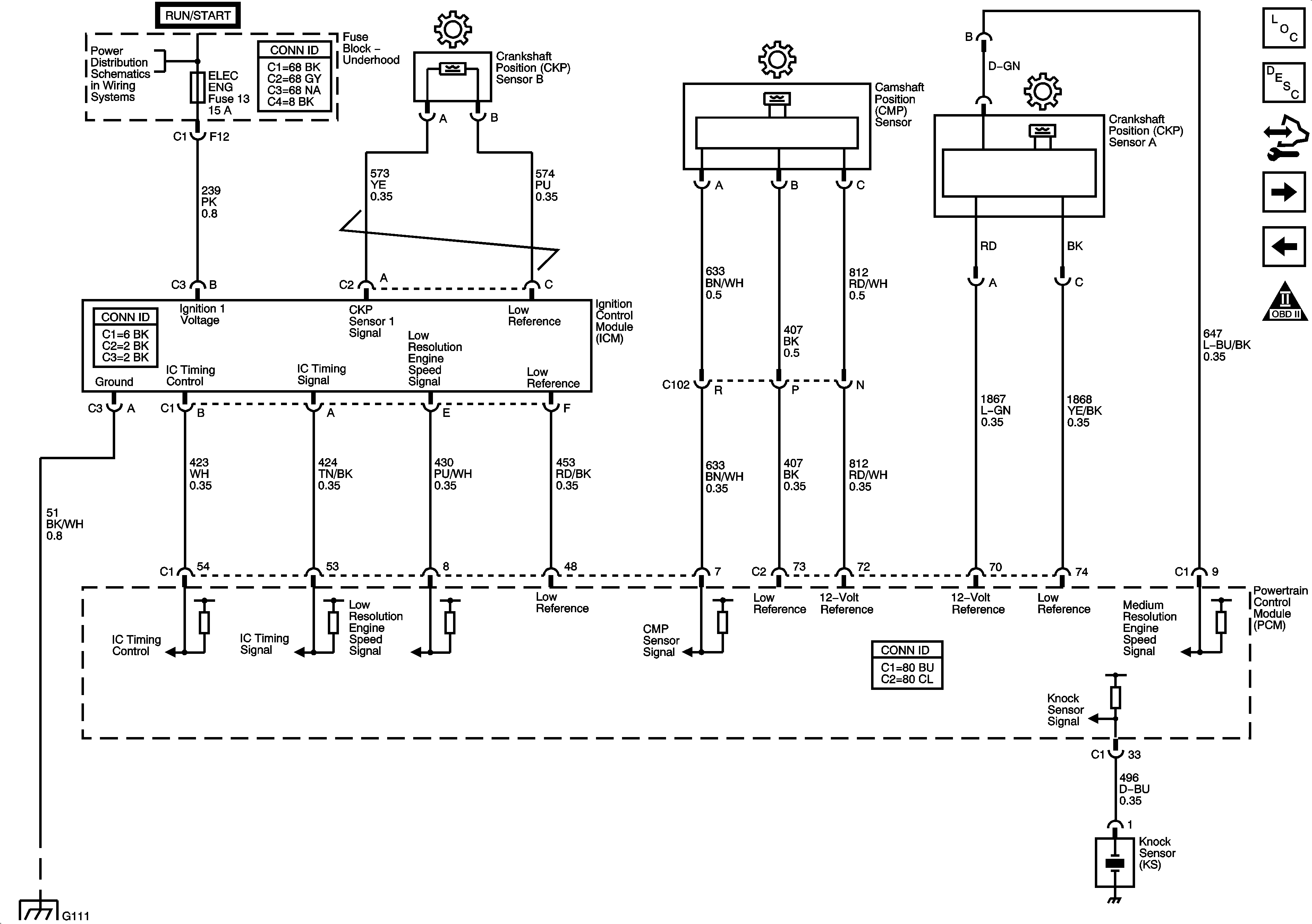
🢒 Ignition Control, KS
Ignition Control, KS
Ignition Control, KS
Master Electrical Component List
Electronic Ignition (EI) System Description
Control Module References
Fuel Injectors, Fuel Pump
Power, DLC, Ground and MIL
ABS, AWD, ELEC ENG, EMS DEV, O2 SENSORS Fuses, and IGNITION Relay - 3.4L
G132 - LY7 and G111
G132 - LY7 and G111