GM Service Manual Online
For 1990-2009 cars only
Makes
🢒
Pontiac
🢒
2005
🢒
Aztek - AWD
🢒 Ignition Controls - CMP Sensors
Ignition Controls - CMP Sensors
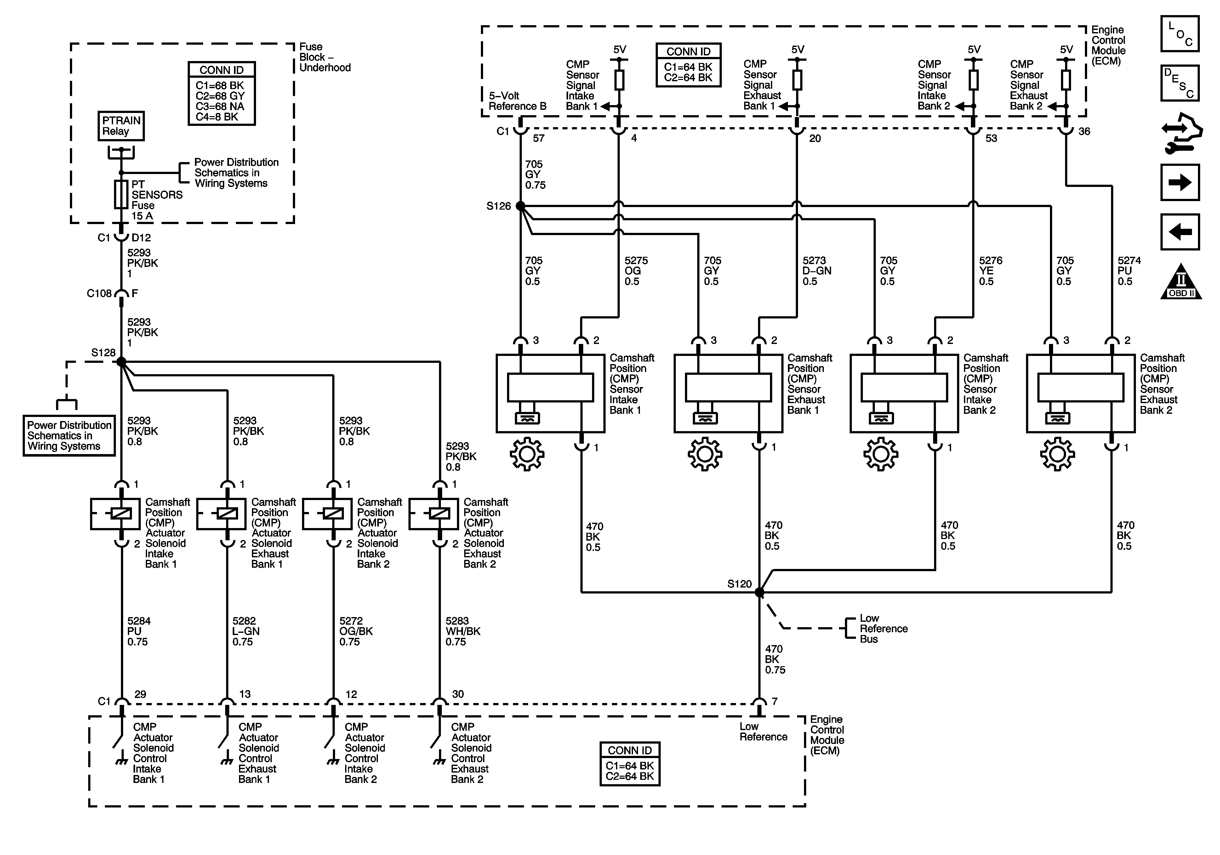
Ignition Controls - Camshaft Position (CMP) Sensors and Actuator Solenoids
Master Electrical Component List
Camshaft Actuator System Description
Control Module References
Ignition Controls - CKP and Knock Sensors
Ignition Controls - Bank 2 Ignition Coils
OBD II Symbol Description Notice
B+ Bus 2 of 2
PTRAIN Relay (2 of 2), BTSI, PT RLY, and PT SENSORS Fuses - 3.6L
Low Reference Bus