GM Service Manual Online
For 1990-2009 cars only
Makes
🢒
Pontiac
🢒
2005
🢒
Aztek - AWD
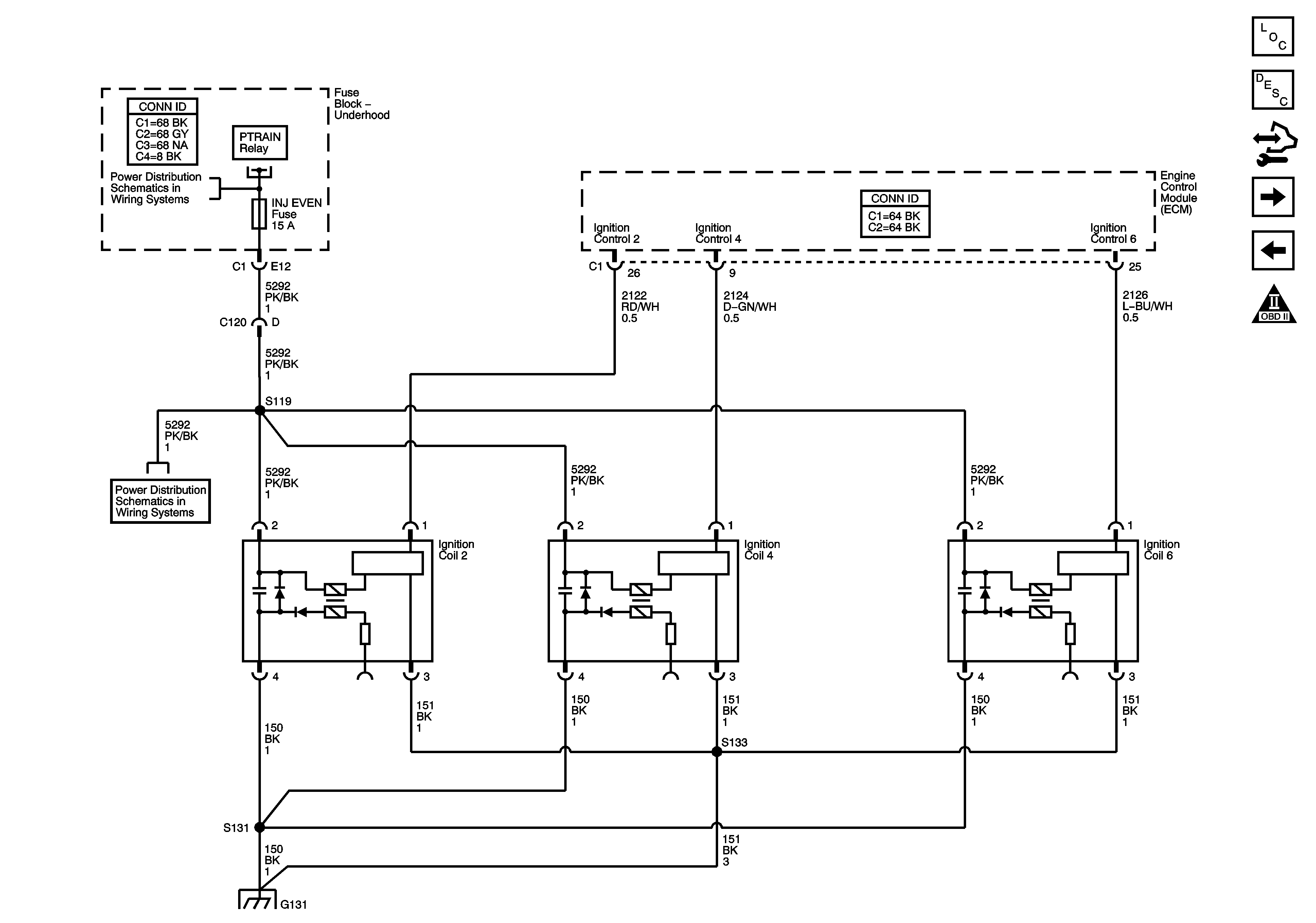
🢒 Ignition Controls - Bank 2 Ignition Coils
Ignition Controls - Bank 2 Ignition Coils
Ignition Controls - Bank 2 (Even) Ignition Coils
Master Electrical Component List
Electronic Ignition (EI) System Description
Control Module References
Ignition Controls - CMP Sensors
Ignition Controls - Bank 1 Ignition Coils
OBD II Symbol Description Notice
B+ Bus 1 of 2
B+ Bus 1 of 2
PTRAIN Relay (1 of 2), INJ EVEN, INJ ODD, and O2/MAF SENS Fuses - 3.6L
G130 and G131 - LY7