GM Service Manual Online
For 1990-2009 cars only
Makes
🢒
Pontiac
🢒
2005
🢒
Aztek - AWD
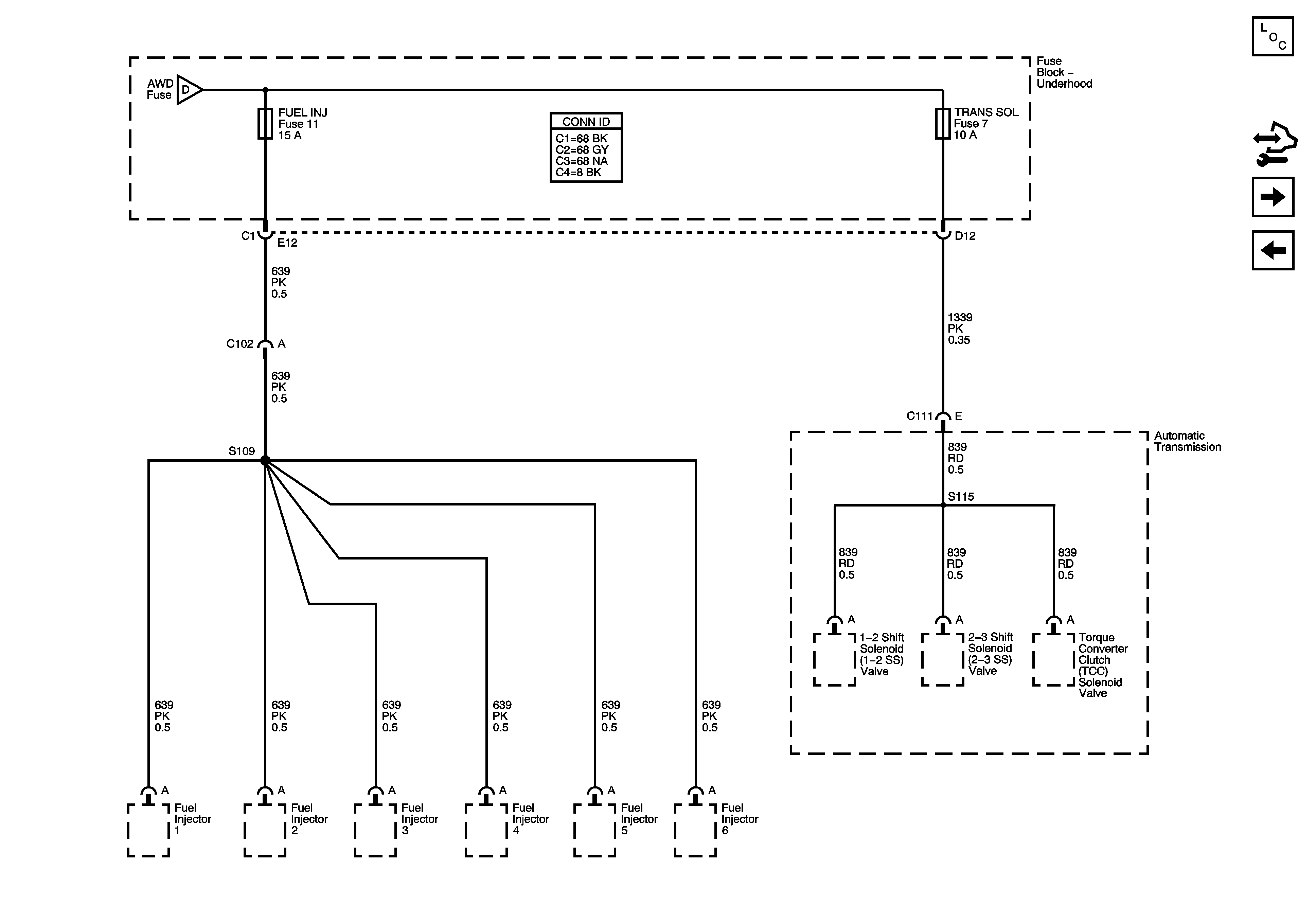
🢒 FUEL INJ and TRANS SOL Fuses - 3.4L
FUEL INJ and TRANS SOL Fuses - 3.4L
FUEL INJ and TRANS SOL Fuses - 3.4L
Master Electrical Component List
Control Module References
PTRAIN Relay (1 of 2), INJ EVEN, INJ ODD, and O2/MAF SENS Fuses - 3.6L
ABS, AWD, ELEC ENG, EMS DEV, O2 SENSORS Fuses, and IGNITION Relay - 3.4L
ABS, AWD, ELEC ENG, EMS DEV, O2 SENSORS Fuses, and IGNITION Relay - 3.4L