GM Service Manual Online
For 1990-2009 cars only
Makes
🢒
Pontiac
🢒
2005
🢒
Aztek - AWD
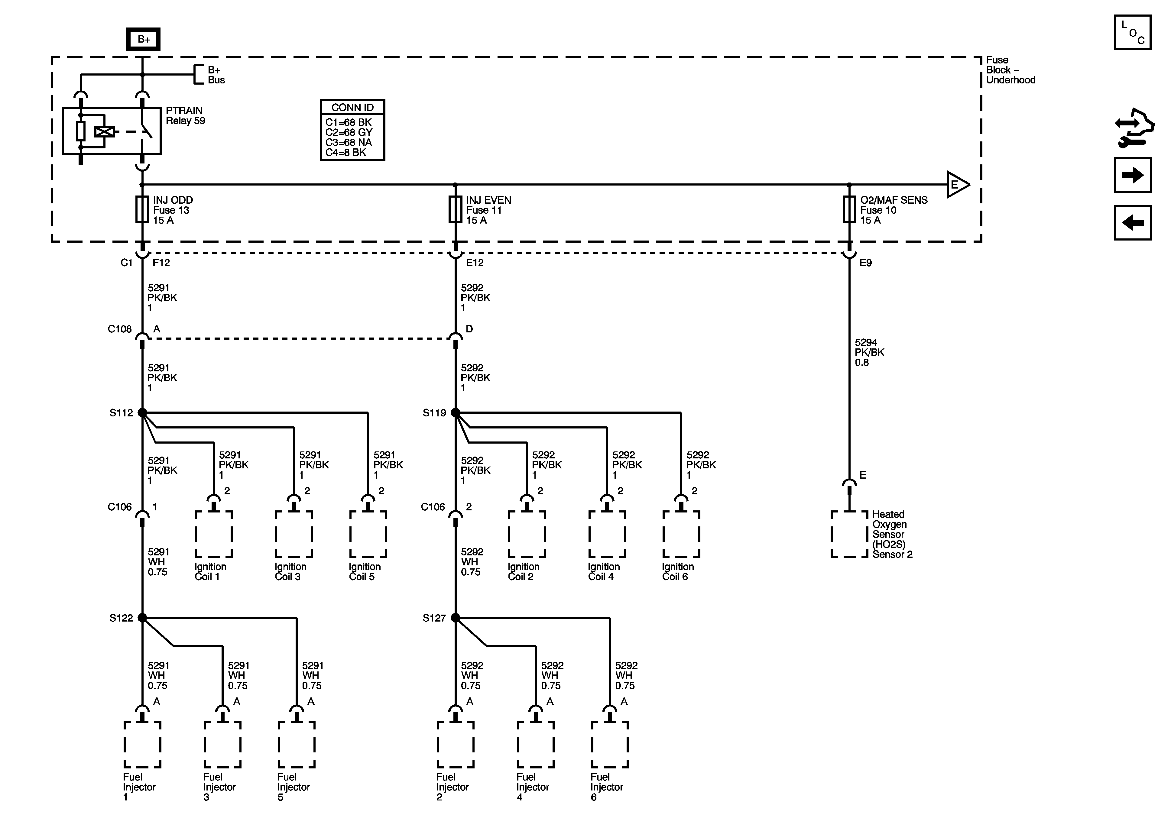
🢒 PTRAIN Relay (1 of 2), INJ EVEN, INJ ODD, and O2/MAF SENS Fuses - 3.6L
PTRAIN Relay (1 of 2), INJ EVEN, INJ ODD, and O2/MAF SENS Fuses - 3.6L
PTRAIN Relay (1 of 2), INJ EVEN, INJ ODD, and O2/MAF SENS - 3.6L
Master Electrical Component List
Control Module References
PTRAIN Relay (2 of 2), BTSI, PT RLY, and PT SENSORS Fuses - 3.6L
FUEL INJ and TRANS SOL Fuses - 3.4L
B+ Bus 1 of 2
PTRAIN Relay (2 of 2), BTSI, PT RLY, and PT SENSORS Fuses - 3.6L