GM Service Manual Online
For 1990-2009 cars only
Makes
🢒
Pontiac
🢒
2001
🢒
Aztek - FWD
🢒
Body and Accessories
🢒
Body Control System
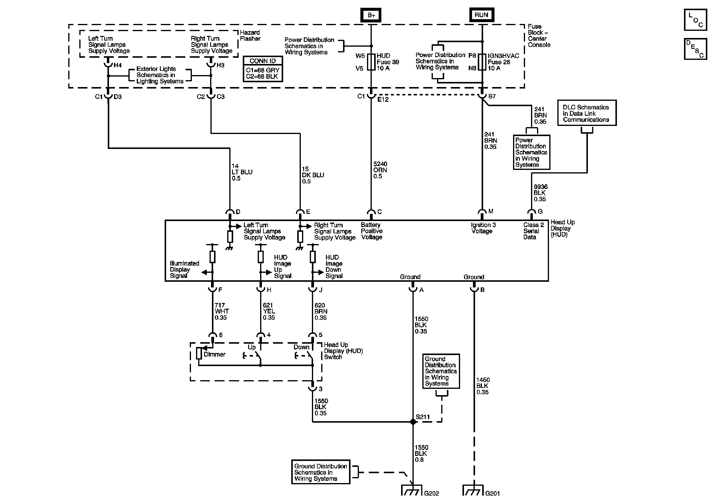
🢒 Head Up Display Schematics
Master Electrical Component List
Head Up Display (HUD) Description and Operation
Fuse Block-Underhood Fuse: 48 Fuse Block-Center Console Fuses: BCM LHZD FL HUD RADIO RD AMP and IP MDL
Fuse Block-Center Console Fuse: IGN3 HVAC
Data Link Communications Schematics - GMT250
Fuse Block-Center Console Fuse: IGN3 HVAC
Turn Signal/Hazard Control
Ground G201
Ground G201
Ground G200 (1 of 2)