GM Service Manual Online
For 1990-2009 cars only
Makes
🢒
Pontiac
🢒
2001
🢒
Aztek - FWD
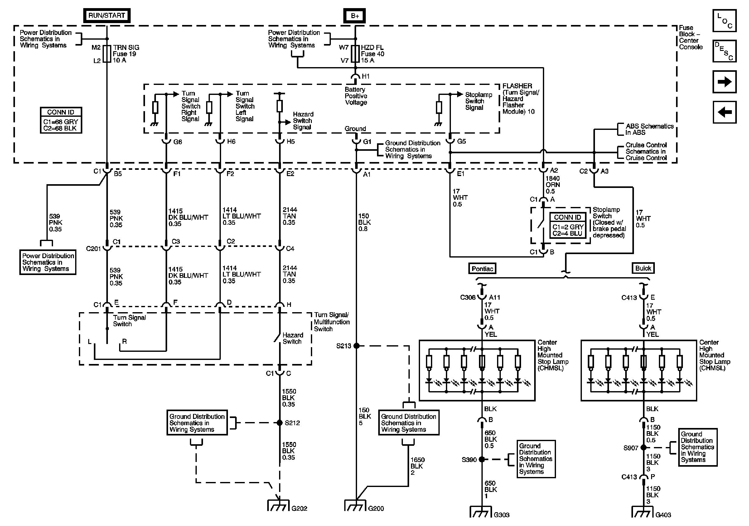
🢒 Turn Signal/Hazard Control
Turn Signal/Hazard Control
Turn Signal/Hazzard Control
Master Electrical Component List
Exterior Lighting Systems Description and Operation
Hazard Flasher, Tailamps, Park/Turn Lamps
Parklamp Relay, Headlamp Switch,
Fuse Block-Underhood Fuses: 27, 31 and 33 Fuse Block-Center Console Fuse: TURN SIG
Fuse Block-Underhood Fuses: 27, 31 and 33 Fuse Block-Center Console Fuse: TURN SIG
Fuse Block-Underhood Fuse: 48 Fuse Block-Center Console Fuses: BCM LHZD FL HUD RADIO RD AMP and IP MDL
Ground G201
Ground G201
Ground G200 (2 of 2)
Ground G200 (2 of 2)
Ground G200 (2 of 2)