GM Service Manual Online
For 1990-2009 cars only
Makes
🢒
Pontiac
🢒
2001
🢒
Aztek - FWD
🢒
Body and Accessories
🢒
Body Rear End
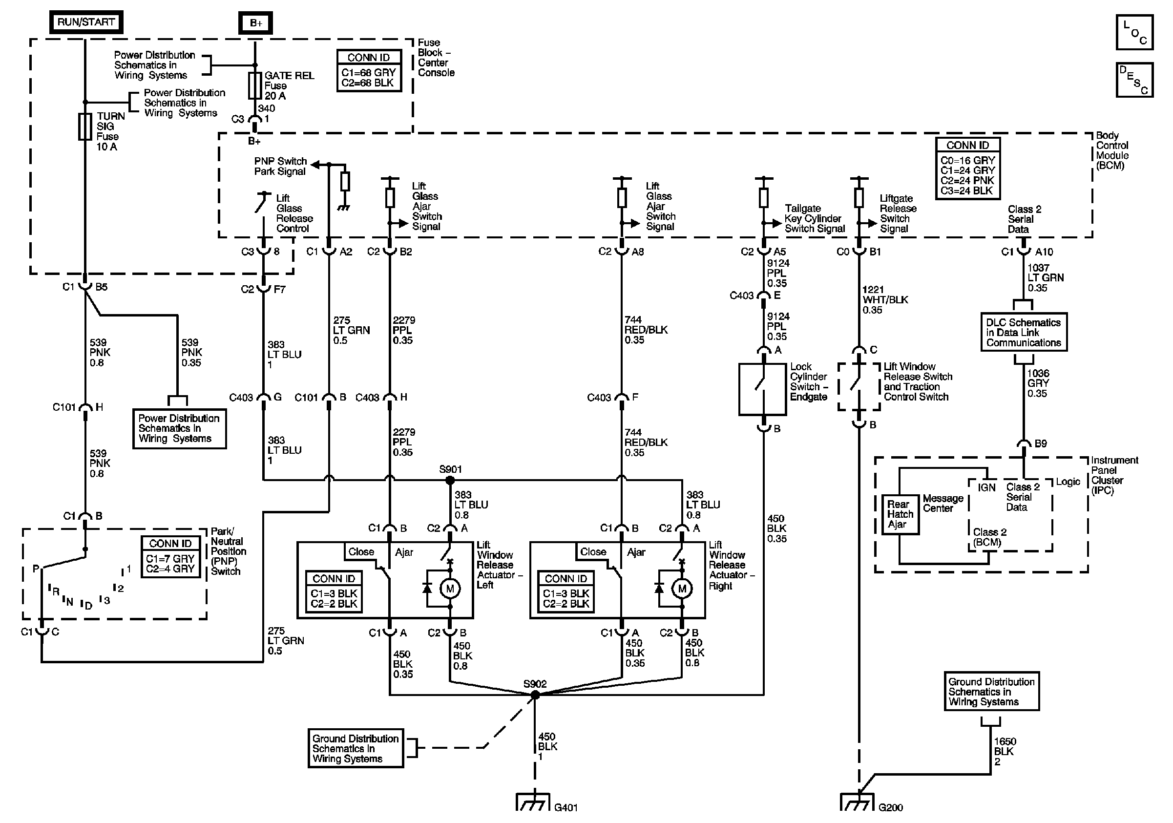
🢒 Body Rear End Schematics
Master Electrical Component List
Rear Hatch/Gate Description and Operation
Fuse Block-Underhood Fuse: 45 Fuse Block-Center Console Fuses: BCM D, GATE REL, RR AUX, PWR MIR, ELC BATT AND THE PWR STS Circuit Breaker
Fuse Block-Underhood Fuses: 27, 31 and 33 Fuse Block-Center Console Fuse: TURN SIG
Fuse Block-Underhood Fuses: 27, 31 and 33 Fuse Block-Center Console Fuse: TURN SIG
Ground G401 (2 of 2)
Ground G200 (2 of 2)
Ground G401 (2 of 2)
Ground G200 (2 of 2)