GM Service Manual Online
For 1990-2009 cars only
Makes
🢒
Pontiac
🢒
2001
🢒
Aztek - FWD
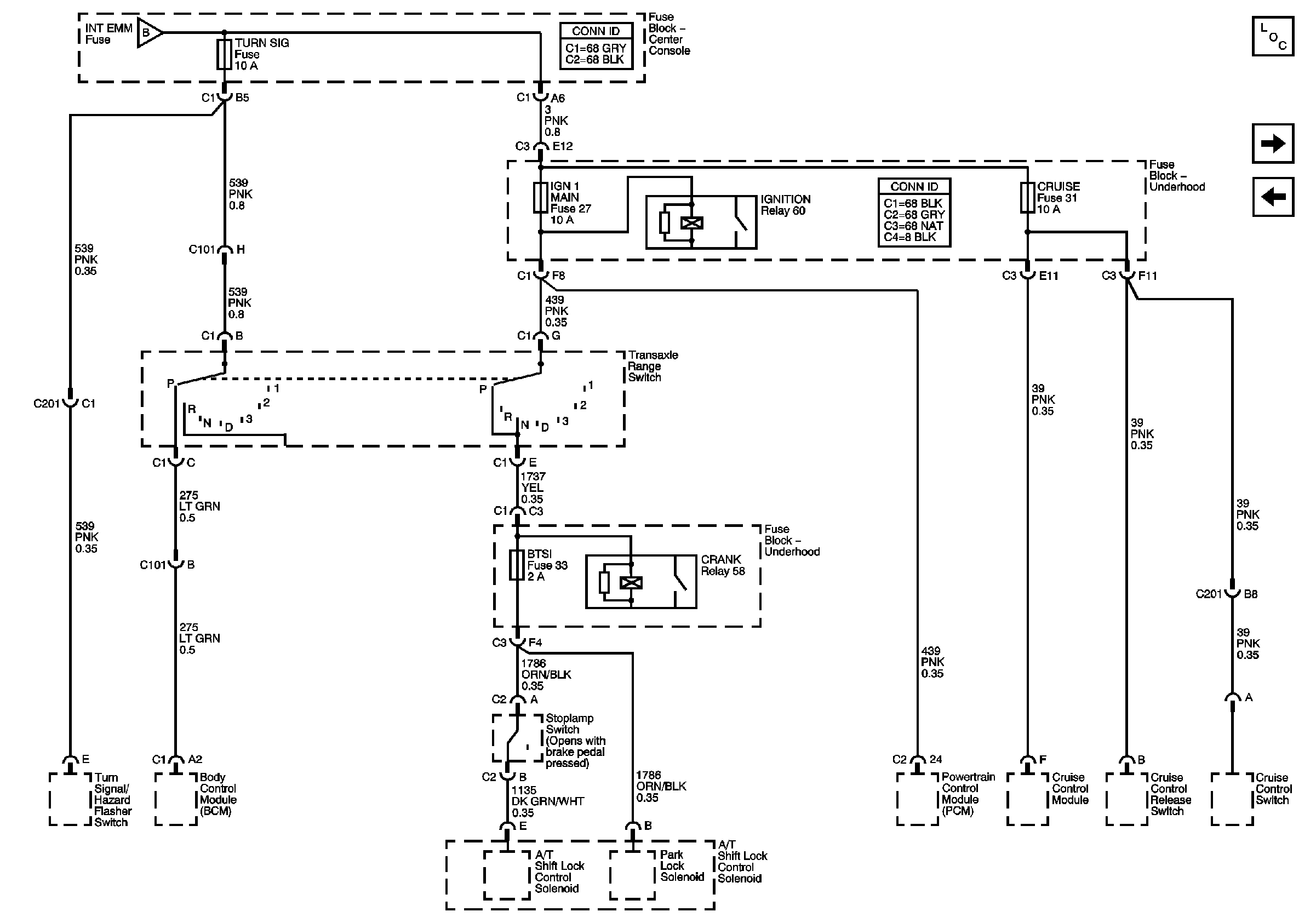
🢒 Fuse Block-Underhood Fuses: 27, 31 and 33 Fuse Block-Center Console Fuse: TURN SIG
Fuse Block-Underhood Fuses: 27, 31 and 33 Fuse Block-Center Console Fuse: TURN SIG
Fuse Block-Underhood Fuses:27, 31 and 33 Fuse Block-Center Console Fuse: TURN SIG
Master Electrical Component List
Fuse Block-Underhood Fuse: 45 Fuse Block-Center Console Fuses: BCM D, GATE REL, RR AUX, PWR MIR, ELC BATT AND THE PWR STS Circuit Breaker
Fuse Block-Underhood Fuse: 19 Fuse Block-Center Console Fuses: IGN 1 MDL, SIR, INTEMM and BCM-ACCY