GM Service Manual Online
For 1990-2009 cars only
Makes
🢒
Pontiac
🢒
2001
🢒
Aztek - FWD
🢒
Body and Accessories
🢒
Wiring Systems
🢒 HVAC Schematics
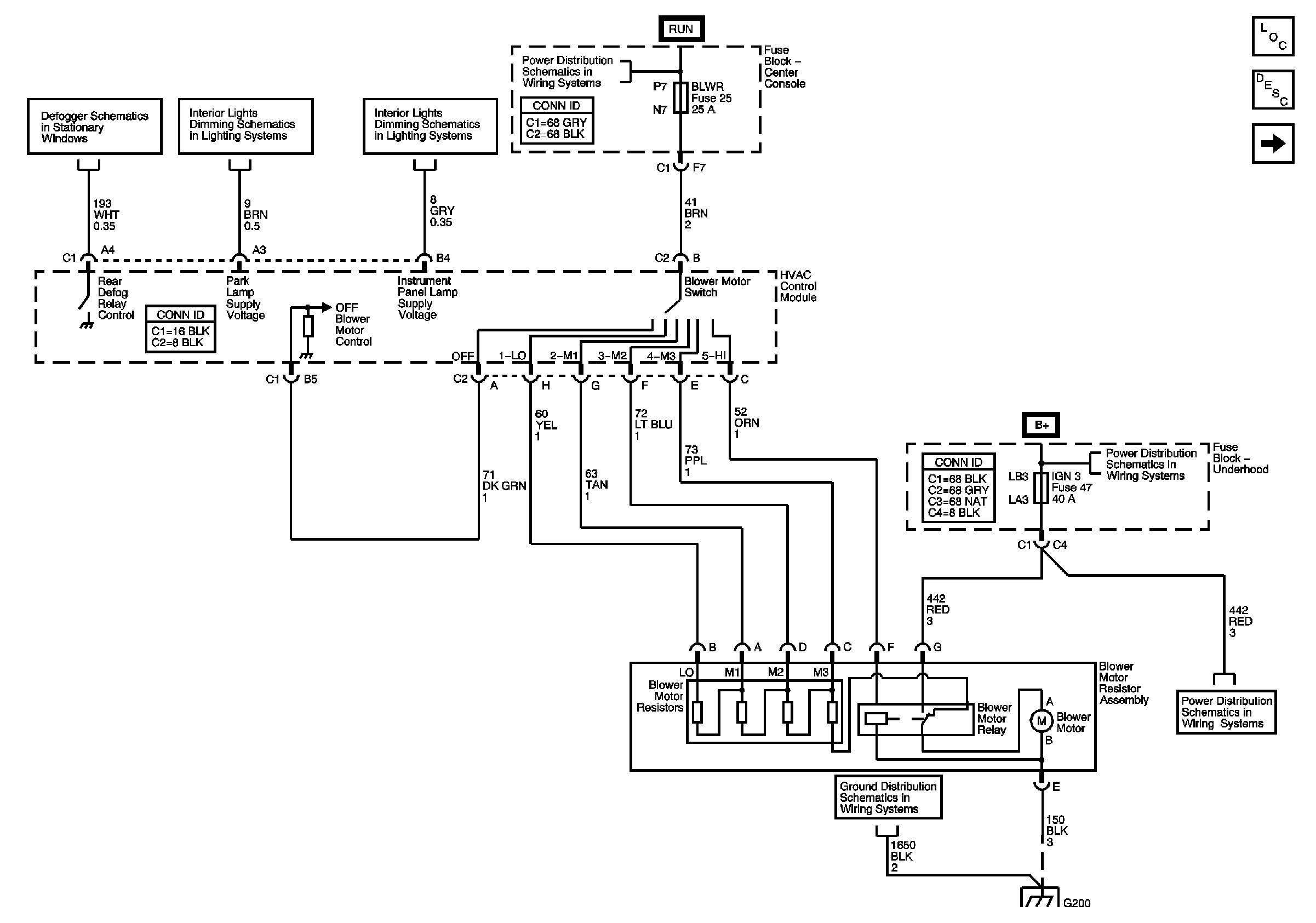
Figure
1:
Blower Controls
Master Electrical Component List
Defogger Schematics
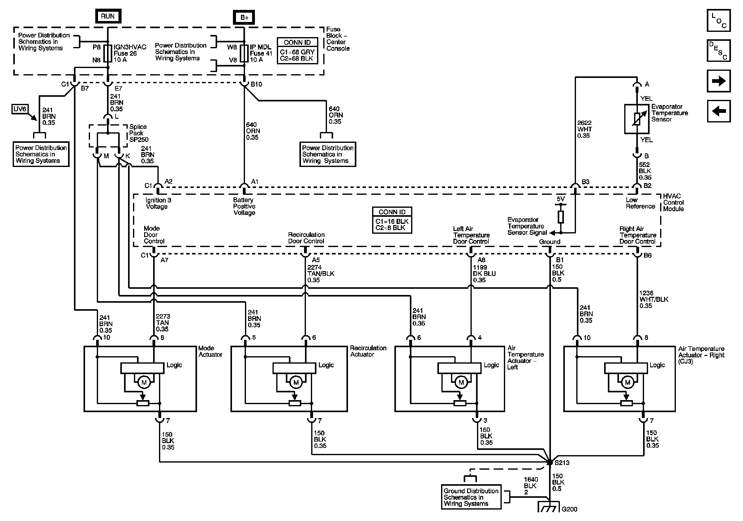
Instrument Cluster, Radio, Heater A/C Control
Instrument Cluster, Radio, Heater A/C Control
Fuse Block-Underhood Fuse: 47 Fuse Block-Center Console Fuses: INKEY, KEY SOL, IGN 0, FRT BLWR, IGN 3 and HVAC
Air Delivery Description and Operation
Compressor Controls
Fuse Block-Underhood Fuse: 47 Fuse Block-Center Console Fuses: INKEY, KEY SOL, IGN 0, FRT BLWR, IGN 3 and HVAC
Ground G200 (2 of 2)
Ground G200 (2 of 2)
Figure
2:
A/C Compressor Controls
Master Electrical Component List
Underhood Fuses: 4, 6, 10, 27 and 30
Fuse Block-underhood Buss
Air Delivery Description and Operation
Air Delivery Controls
Blower Controls
Ground G117
Data Link Communications Schematics - GMT250
Ground G117
Figure
3:
Power, Ground and Air Delivery Controls
Master Electrical Component List
Air Delivery Description and Operation
Fuse Block-Underhood Fuse: 48 Fuse Block-Center Console Fuses: BCM LHZD FL HUD RADIO RD AMP and IP MDL
Compressor Controls
Ground G200 (2 of 2)