GM Service Manual Online
For 1990-2009 cars only
Makes
🢒
Pontiac
🢒
2001
🢒
Aztek - FWD
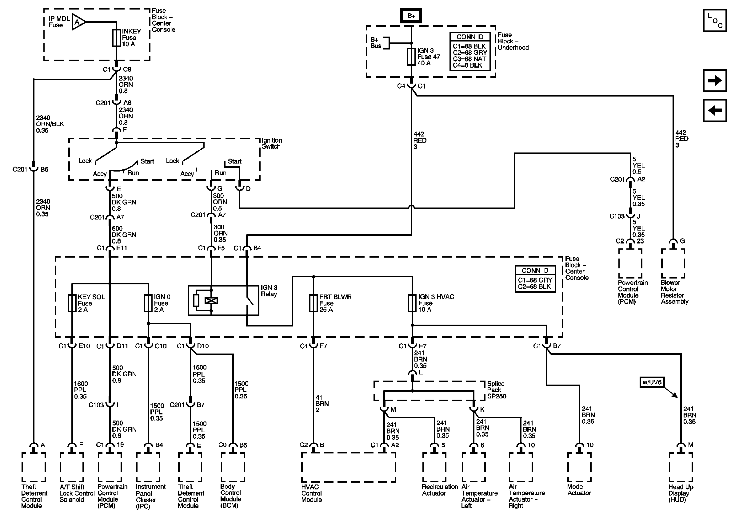
🢒 Fuse Block-Underhood Fuse: 47 Fuse Block-Center Console Fuses: INKEY, KEY SOL, IGN 0, FRT BLWR, IGN 3 and HVAC
Fuse Block-Underhood Fuse: 47 Fuse Block-Center Console Fuses: INKEY, KEY SOL, IGN 0, FRT BLWR, IGN 3 and HVAC
Fuse Block-Underhood Fuse: 47 and Fuse Block-Center Console Fuses: INKEY, KEY SOL, IGN 0, FRT BLWR, IGN 3 and HVAC
Master Electrical Component List
Fuse Block-Underhood Fuse: 19 Fuse Block-Center Console Fuses: IGN 1 MDL, SIR, INTEMM and BCM-ACCY
Fuse Block-Underhood Fuse: 48 Fuse Block-Center Console Fuses: BCM LHZD FL HUD RADIO RD AMP and IP MDL