GM Service Manual Online
For 1990-2009 cars only
Makes
🢒
Pontiac
🢒
2001
🢒
Aztek - FWD
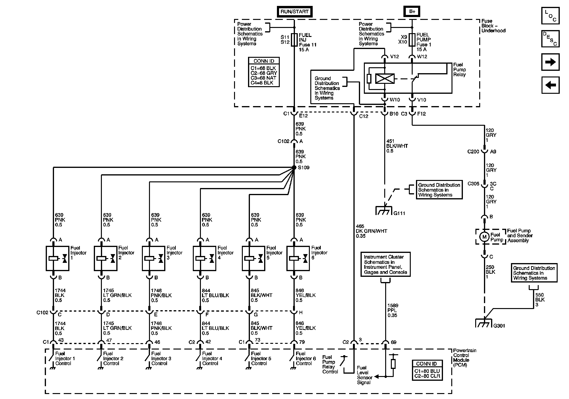
🢒 Fuel Injectors
Fuel Injectors
Fuel Delivery
Master Electrical Component List
Fuel System Description
Engine Data Sensors, TP, MAP, ECT, IAT
Ignition System, Knock Sensor
Fuse Block-underhood Buss
Fuse Block-Underhood Fuses: 11 and 7
Ground G111
Ground G301