GM Service Manual Online
For 1990-2009 cars only
Makes
🢒
Pontiac
🢒
2001
🢒
Aztek - FWD
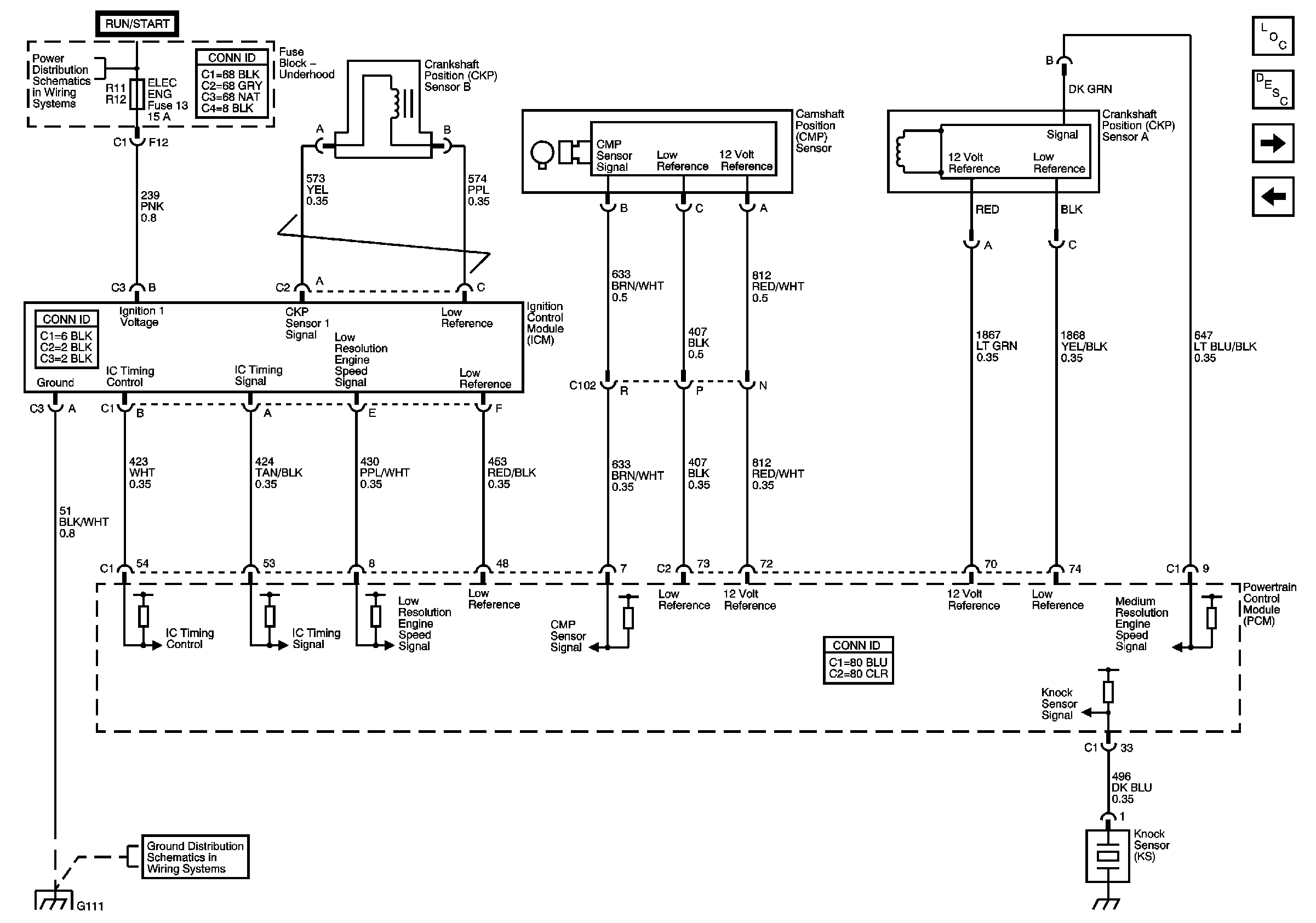
🢒 Ignition System, Knock Sensor
Ignition System, Knock Sensor
Ignition System, Knock Sensor
Master Electrical Component List
Electronic Ignition (EI) System Description
Fuel Injectors
Power, Ground, DLC, MIL
Underhood Fuses: 4, 6, 10, 27 and 30
Ground G111