GM Service Manual Online
For 1990-2009 cars only
Makes
🢒
Pontiac
🢒
2001
🢒
Aztek - FWD
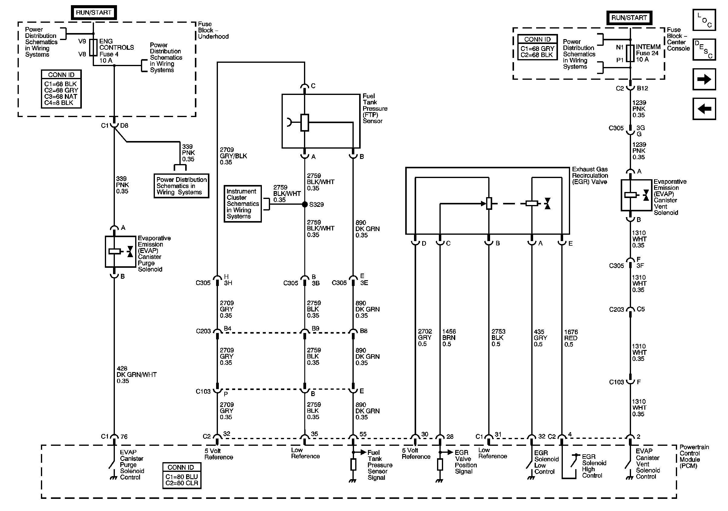
🢒 EVAP Switch, EVAP Valve, EGR
EVAP Switch, EVAP Valve, EGR
EVAP, EGR and FTP
Master Electrical Component List
Powertrain Control Module Description
Instrument Cluster, Engine Oil Pressure Sensor, Engine Oil Level Sensor, Generator
IAC Valve, MAF, Air Circuit
Underhood Fuses: 4, 6, 10, 27 and 30
Ground G101
Ground G111