GM Service Manual Online
For 1990-2009 cars only
Makes
🢒
Pontiac
🢒
2001
🢒
Aztek - FWD
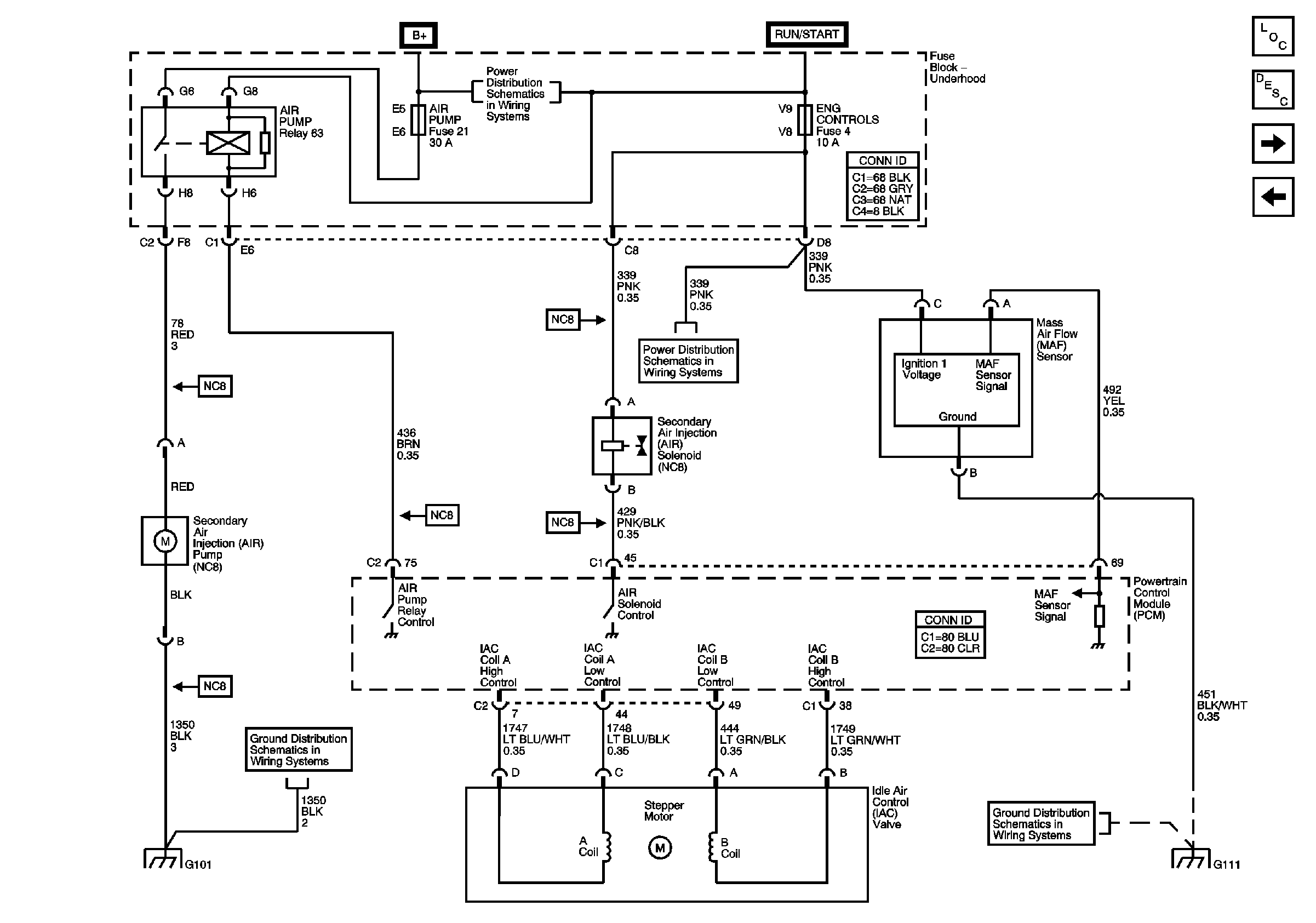
🢒 IAC Valve, MAF, Air Circuit
IAC Valve, MAF, Air Circuit
IAC, MAF and AIR
Master Electrical Component List
Powertrain Control Module Description
EVAP Switch, EVAP Valve, EGR
Engine Data Sensors, HO2S1, HO2S2
PCM Sensors (Fuel Level Sensor, Engine Oil Level Indicator Switch, Engine Oil Pressure Indicator Switch, Engine Coolant Temperature Sensor)
Switches, ISS and Pressure Control