GM Service Manual Online
For 1990-2009 cars only
Makes
🢒
Pontiac
🢒
2001
🢒
Aztek - FWD
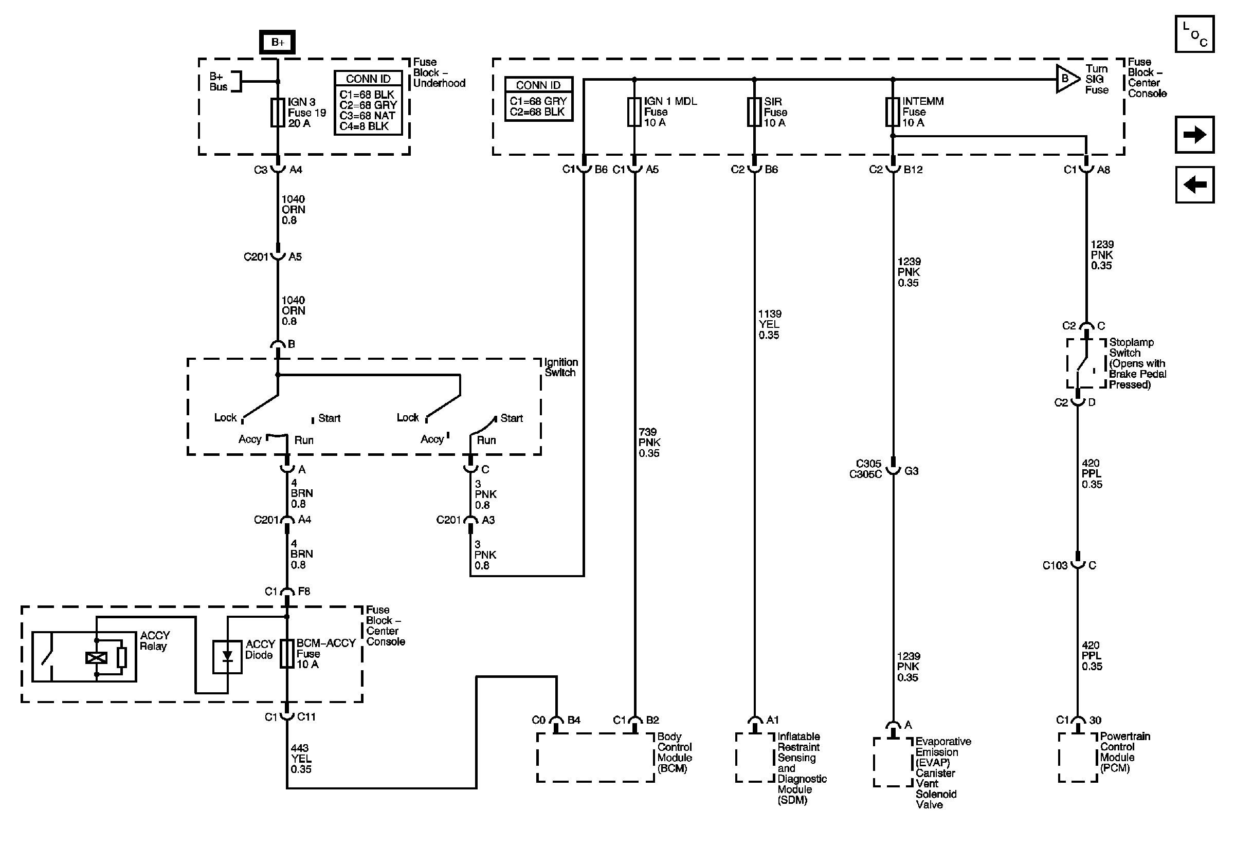
🢒 Fuse Block-Underhood Fuse: 19 Fuse Block-Center Console Fuses: IGN 1 MDL, SIR, INTEMM and BCM-ACCY
Fuse Block-Underhood Fuse: 19 Fuse Block-Center Console Fuses: IGN 1 MDL, SIR, INTEMM and BCM-ACCY
Fuse Block-Underhood Fuse: 19 and Fuse Block-Center Console Fuses: IGN 1 MDL, SIR, INTEMM and BCM-ACCY
Master Electrical Component List
Fuse Block-Underhood Fuses: 27, 31 and 33 Fuse Block-Center Console Fuse: TURN SIG
Fuse Block-Underhood Fuse: 47 Fuse Block-Center Console Fuses: INKEY, KEY SOL, IGN 0, FRT BLWR, IGN 3 and HVAC