GM Service Manual Online
For 1990-2009 cars only
Makes
🢒
Pontiac
🢒
2002
🢒
Aztek - FWD
🢒
Driveline/Axle
🢒
Rear Axle Controls
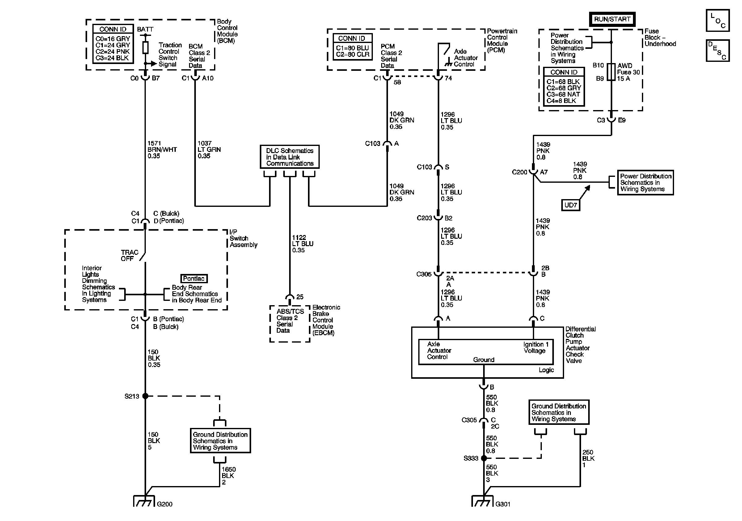
🢒 Differential Lock Schematics
Master Electrical Component List
Differential Lock System Description and Operation
Underhood Fuses: 4, 6, 10, 27 and 30
Instrument Cluster, Radio, Heater A/C Control
Data Link Communications Schematics - GMT250
Body Rear End Schematics
Ground G200 (2 of 2)
Ground G301