GM Service Manual Online
For 1990-2009 cars only
Makes
🢒
Pontiac
🢒
2002
🢒
Aztek - FWD
🢒
Body and Accessories
🢒
Body Rear End
🢒 Body Rear End Schematics
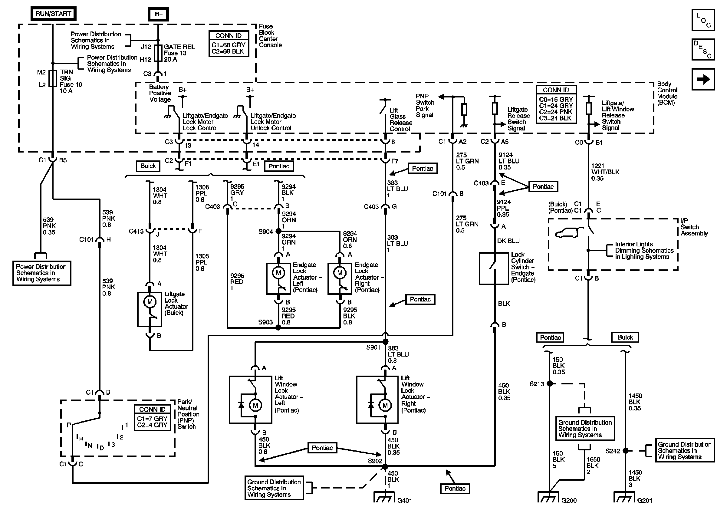
Figure
1:
Lift Window, Endgate and Liftgate Actuators
Master Electrical Component List
Rear Hatch/Gate Description and Operation Ajar Indicator
Ajar Indicators
Fuse Block-Underhood Fuse: 45 Fuse Block-Center Console Fuses: BCM D, GATE REL, RR AUX, PWR MIR, ELC BATT and PWR STS Circuit Breaker
Fuse Block-Underhood Fuses: 27, 31 and 33 Fuse Block-Center Console Fuse: TURN SIG
Fuse Block-Underhood Fuses: 27, 31 and 33 Fuse Block-Center Console Fuse: TURN SIG
Ground G200 Schematics
Ground G200 Schematics
Figure
2:
Ajar Indicators
Master Electrical Component List
Rear Hatch/Gate Description and Operation Ajar Indicator
Lift Window, Endgate and Liftgate
Cigar Lighter/Auxiliary Outlets Schematics-Buick
Ground G401, 402 and 403 Schematics
G401 (2 of 3)
G401 (2 of 3)