GM Service Manual Online
For 1990-2009 cars only
Makes
🢒
Pontiac
🢒
2002
🢒
Aztek - FWD
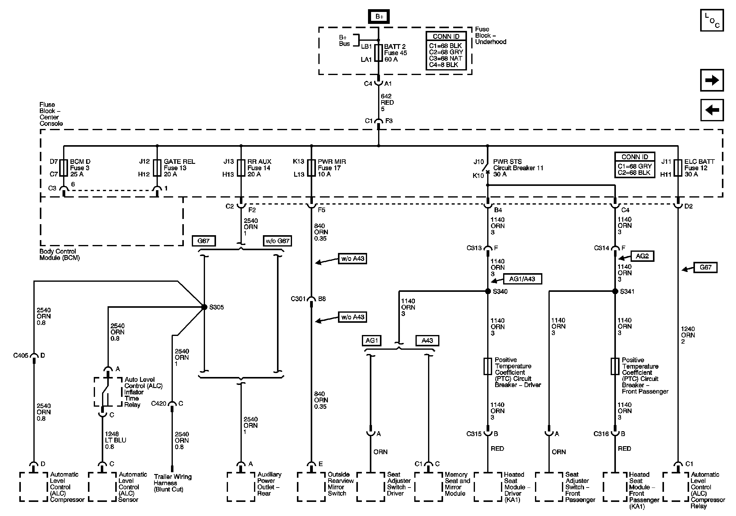
🢒 Fuse Block-Underhood Fuse: 45 Fuse Block-Center Console Fuses: BCM D, GATE REL, RR AUX, PWR MIR, ELC BATT and PWR STS Circuit Breaker
Fuse Block-Underhood Fuse: 45 Fuse Block-Center Console Fuses: BCM D, GATE REL, RR AUX, PWR MIR, ELC BATT and PWR STS Circuit Breaker
Fuse Block--Underhood BATT 2 Fuse and Fuse Block--Center Console BCM D, GATE REL, RR AUX, PWR MIR, ELC BATT Fuses and PWR STS Circuit Breaker
Master Electrical Component List
Fuse Block-Underhood Fuse: 41 Fuse Block-Center Console Fuses: SUN RF, ELC ACCY, ACC PWR, WIPER and RR WPR SW
Fuse Block-Underhood Fuses: 27, 31 and 33 Fuse Block-Center Console Fuse: TURN SIG
Fuse Block-Underhood Buss Schematics