GM Service Manual Online
For 1990-2009 cars only
Makes
🢒
Pontiac
🢒
2002
🢒
Aztek - FWD
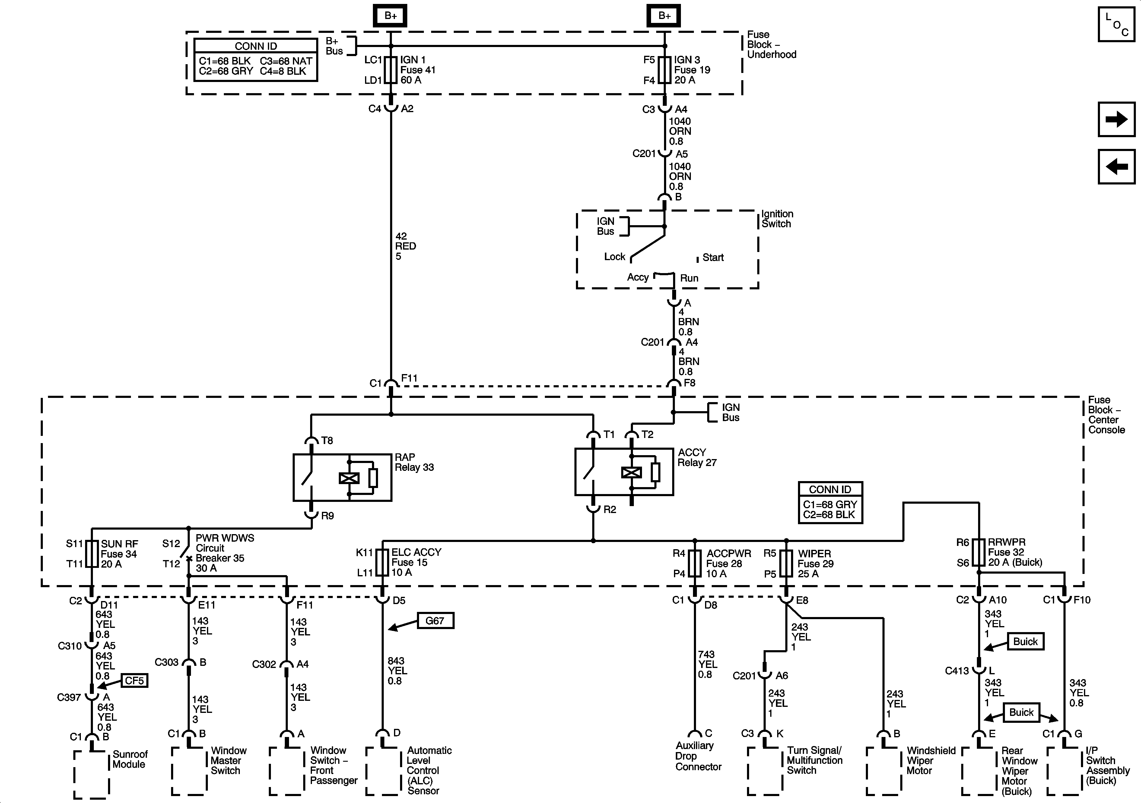
🢒 Fuse Block-Underhood Fuse: 41 Fuse Block-Center Console Fuses: SUN RF, ELC ACCY, ACC PWR, WIPER and RR WPR SW
Fuse Block-Underhood Fuse: 41 Fuse Block-Center Console Fuses: SUN RF, ELC ACCY, ACC PWR, WIPER and RR WPR SW
Fuse Block--Underhood IGN 1, IGN3 Fuses and Fuse Block--Center Console SUN RF, ELC ACCY, ACCPWR, WIPER, RRWPR Fuses and PWR WDWS Circuit Breaker
Master Electrical Component List
Fuse Block-Underhood Fuses: 32, 36, 9, 5 and 28
Fuse Block-Underhood Fuse: 45 Fuse Block-Center Console Fuses: BCM D, GATE REL, RR AUX, PWR MIR, ELC BATT and PWR STS Circuit Breaker
Fuse Block-Underhood Buss Schematics