GM Service Manual Online
For 1990-2009 cars only
Makes
🢒
Pontiac
🢒
2002
🢒
Aztek - FWD
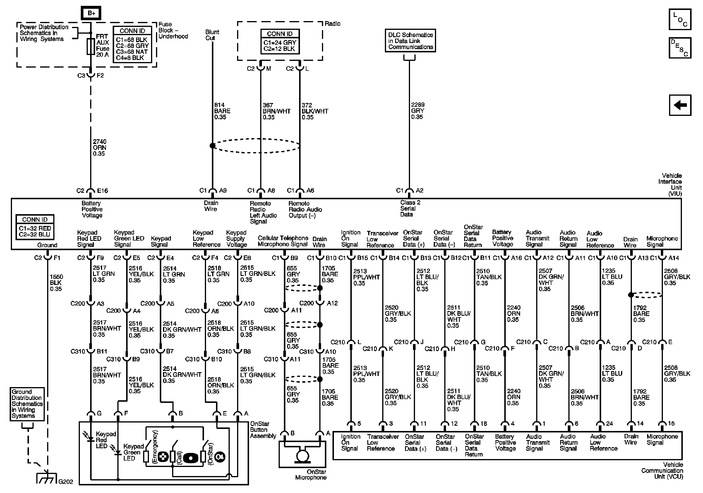
🢒 Onstar Schematics
Onstar Schematics
Buick
Master Electrical Component List
OnStar Description and Operation
On-Star Schematics
Fuse Block-Underhood Fuses: 32, 36, 9, 5 and 28
Cigar Lighter/Auxiliary Outlets Schematics-Buick
Ground G202 Schematics
Ground G202 Schematics