GM Service Manual Online
For 1990-2009 cars only
Makes
🢒
Pontiac
🢒
2003
🢒
Aztek - FWD
🢒 Steering Wheel and Tailgate Controls - Pontiac
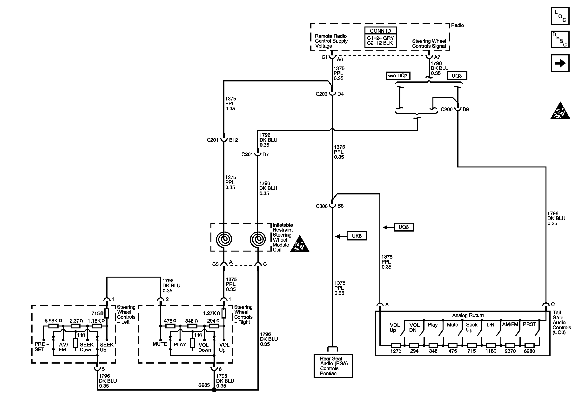
Steering Wheel and Tailgate Controls - Pontiac
Steering Wheel and Tailgate Controls - Pontiac
Master Electrical Component List
Steering Wheel Controls - Buick
Radio W/Rear Seat Audio Controls - Pontiac