GM Service Manual Online
For 1990-2009 cars only
Makes
🢒
Pontiac
🢒
2003
🢒
Aztek - FWD
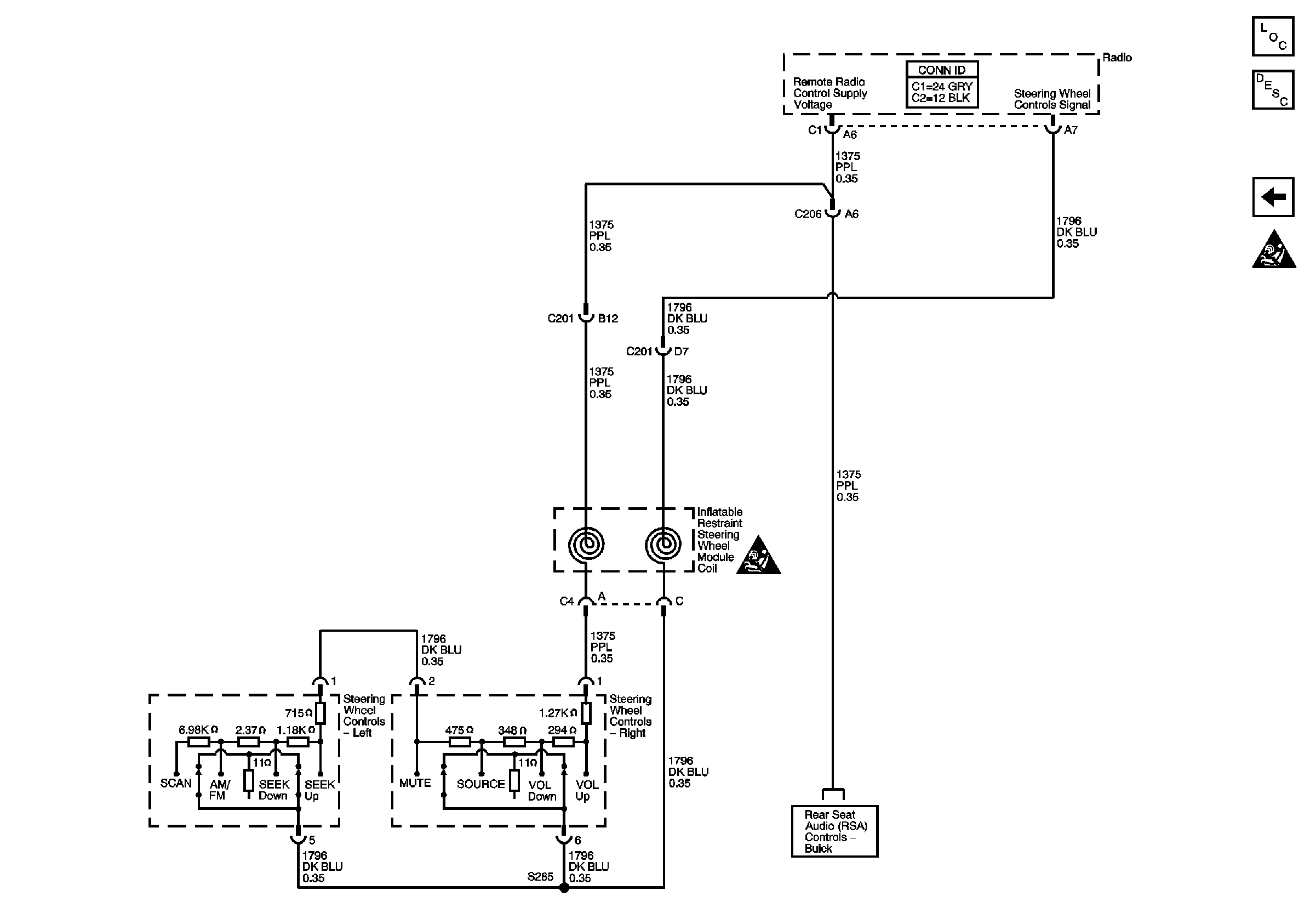
🢒 Steering Wheel Controls - Buick
Steering Wheel Controls - Buick
Steering Wheel Controls -- Buick
Master Electrical Component List
Steering Wheel and Tailgate Controls - Pontiac
Radio W/Rear Seat Audio Controls - Buick