GM Service Manual Online
For 1990-2009 cars only
Makes
🢒
Pontiac
🢒
2004
🢒
Aztek - FWD
🢒
Driveline/Axle
🢒
Drive Axle - Locking/Limited Slip
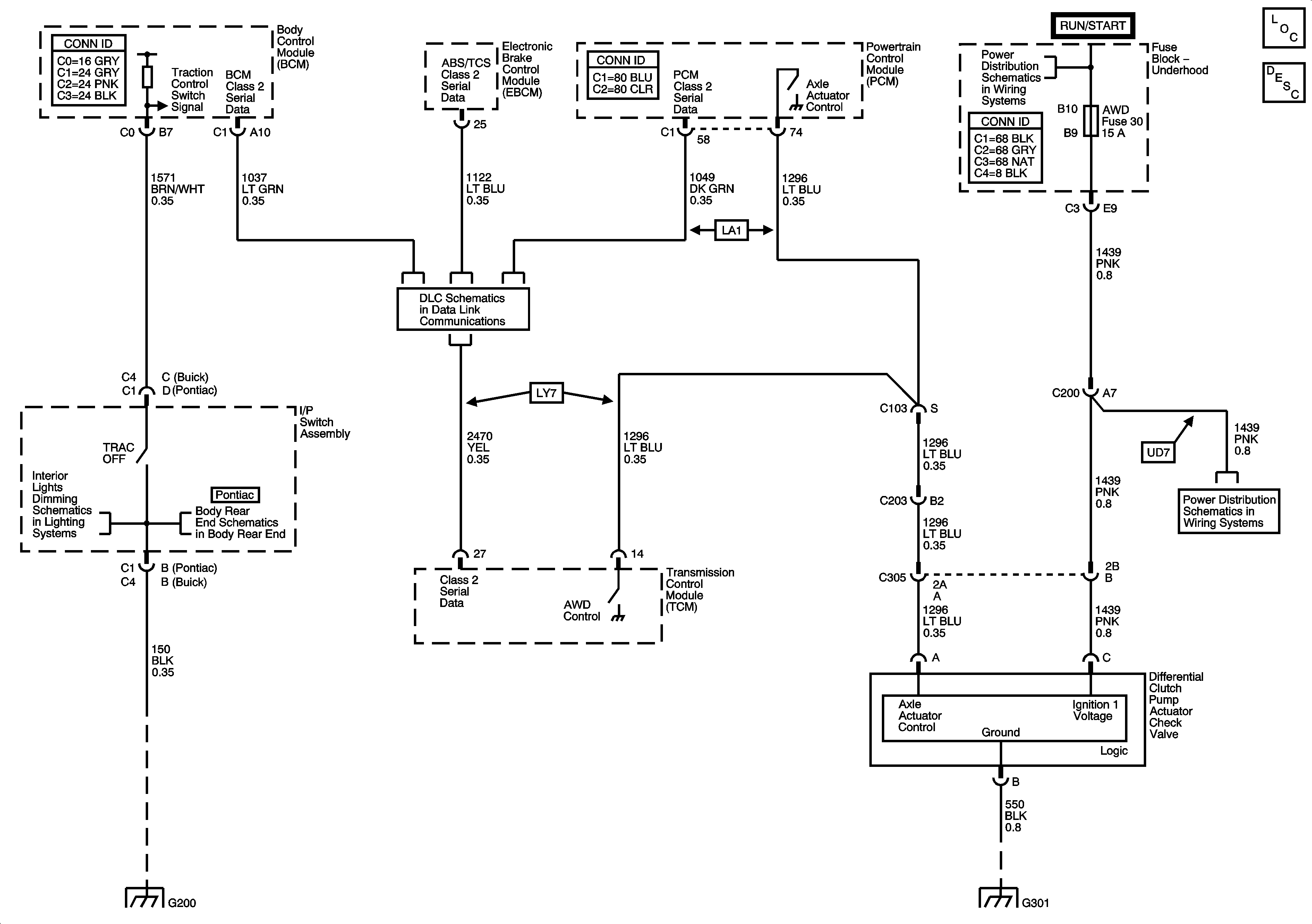
🢒 Differential Lock Schematics
Master Electrical Component List
Locking Differential Description and Operation
ABS, AWD, ELEC ENG, EMS DEV, O2 SENSORS Fuses, and IGNITION Relay - 3.4L
Data Link Connector (DLC) Schematics
Panel Lamps - Pontiac, Page 2 of 2
Lift Window, Endgate and Liftgate Actuators
ABS, AWD, ELEC ENG, EMS DEV, O2 SENSORS Fuses, and IGNITION Relay - 3.4L
Ground G200 - Pontiac
Ground G301 - Pontiac