GM Service Manual Online
For 1990-2009 cars only
Makes
🢒
Pontiac
🢒
2004
🢒
Aztek - FWD
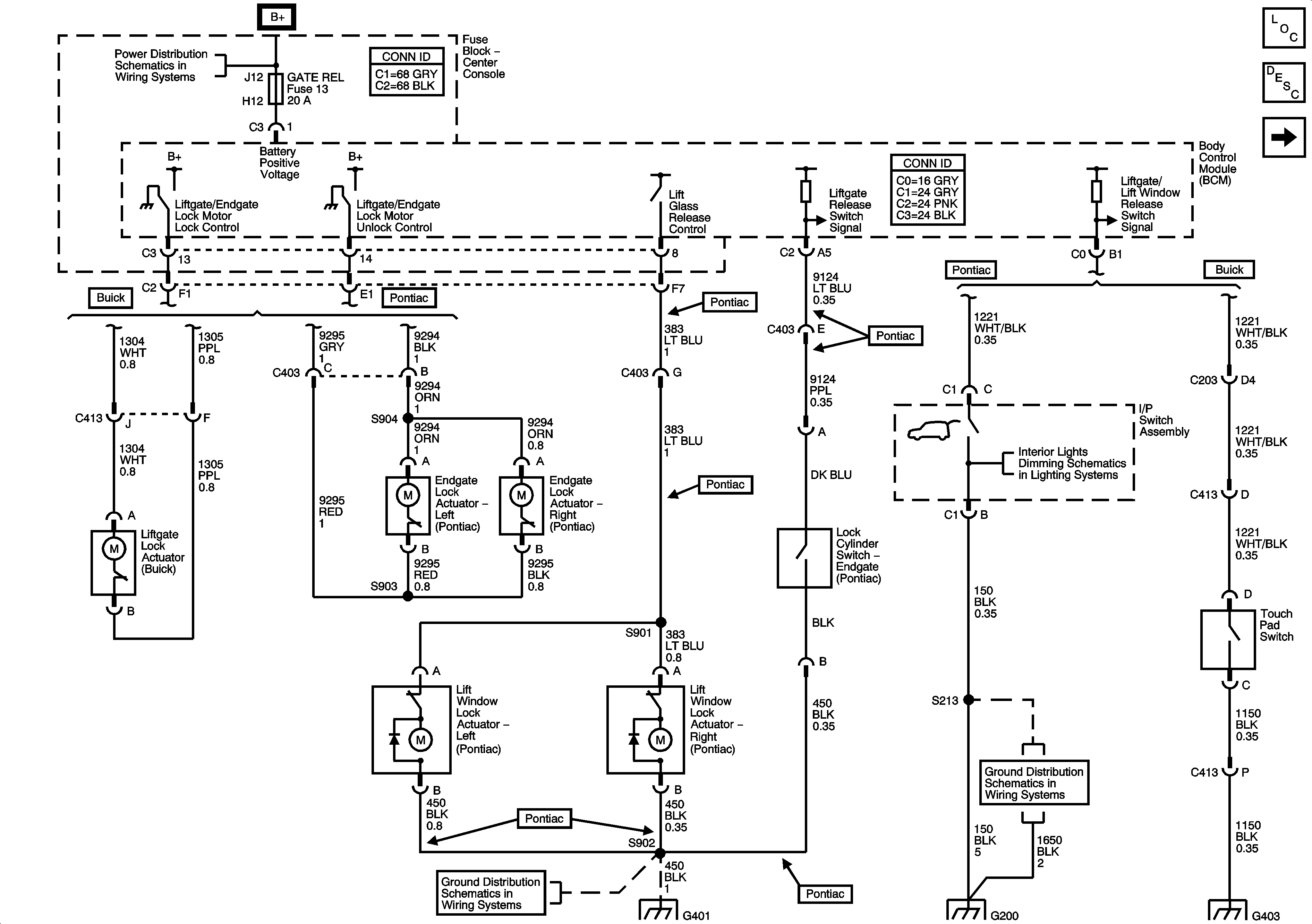
🢒 Lift Window, Endgate and Liftgate Actuators
Lift Window, Endgate and Liftgate Actuators
Lift Window, Endgate and Liftgate Actuators
Master Electrical Component List
Ajar Indicators
Fuse Block Underhood Fuse: 45 Fuse Block Center Console
Fuse Block Underhood Fuse: 27, 31, 33 Fuse Block Center Console
Fuse Block Underhood Fuse: 27, 31, 33 Fuse Block Center Console
Ground G401, G402, and G403 - Pontiac
Ground G401, G402, and G403 - Pontiac
Ground G200 - Buick
Ground G200 - Buick