GM Service Manual Online
For 1990-2009 cars only
Figure 1:

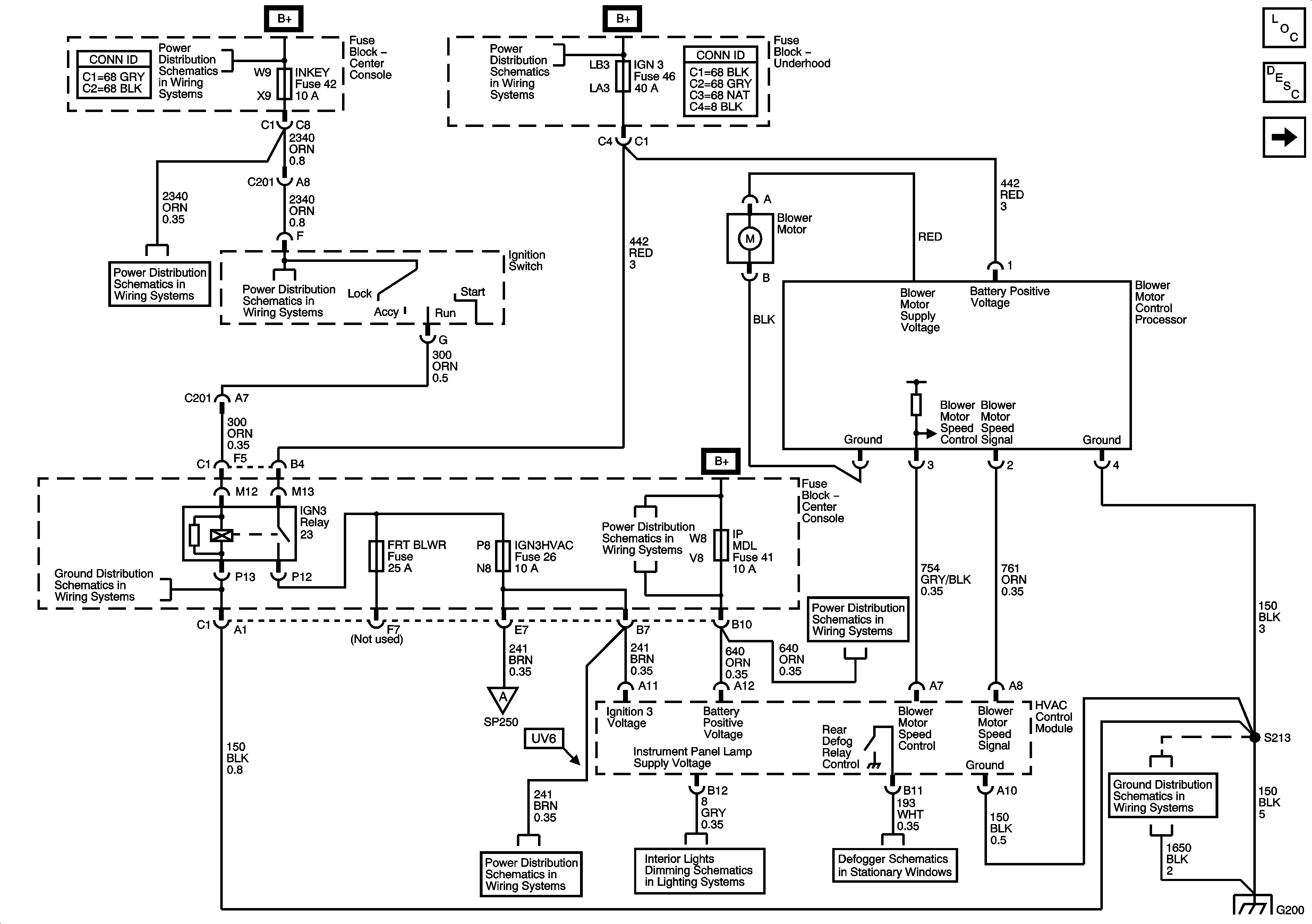
Power, Ground and Blower Controls


Object Number: 1406926  Size: FS
Master Electrical Component List
Air Delivery Description and Operation
A/C Compressor Controls
Fuse Block-Underhood Fuse: 48, Fuse Block Center Console Fuses
Fuse Block-Underhood Fuse: 48, Fuse Block Center Console Fuses
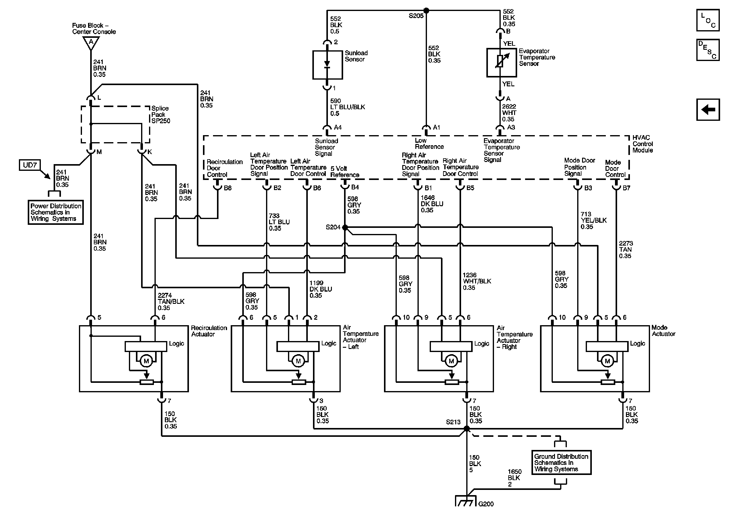
Air Delivery and Temperature Control
Fuse Block-Underhood Fuse: 48, Fuse Block Center Console Fuses
Fuse Block - Center Console Fuse: IGN 3 HVAC
Data Link Connector (DLC) Schematics
Panel Lamps - Pontiac, Page 2 of 2
Defogger Schematics
Ground G200 - Buick
Ground G200 - Buick
Figure 2:

A/C Compressor Controls


Object Number: 1406927  Size: FS
Master Electrical Component List
Air Delivery Controls
Power, Ground and Blower Controls
Fuse Block - Underhood Buss
Fuse Block - Underhood Buss
Data Link Connector (DLC) Schematics
Ground G117 - Buick
Ground G117 - Buick
Figure 3:

Air Delivery Controls


Object Number: 793930  Size: FS
Master Electrical Component List
Air Temperature Description and Operation
A/C Compressor Controls
Fuse Block - Center Console Fuse: IGN 3 HVAC
Ground G200 - Buick
Ground G200 - Buick