GM Service Manual Online
For 1990-2009 cars only
Makes
🢒
Pontiac
🢒
2004
🢒
Aztek - FWD
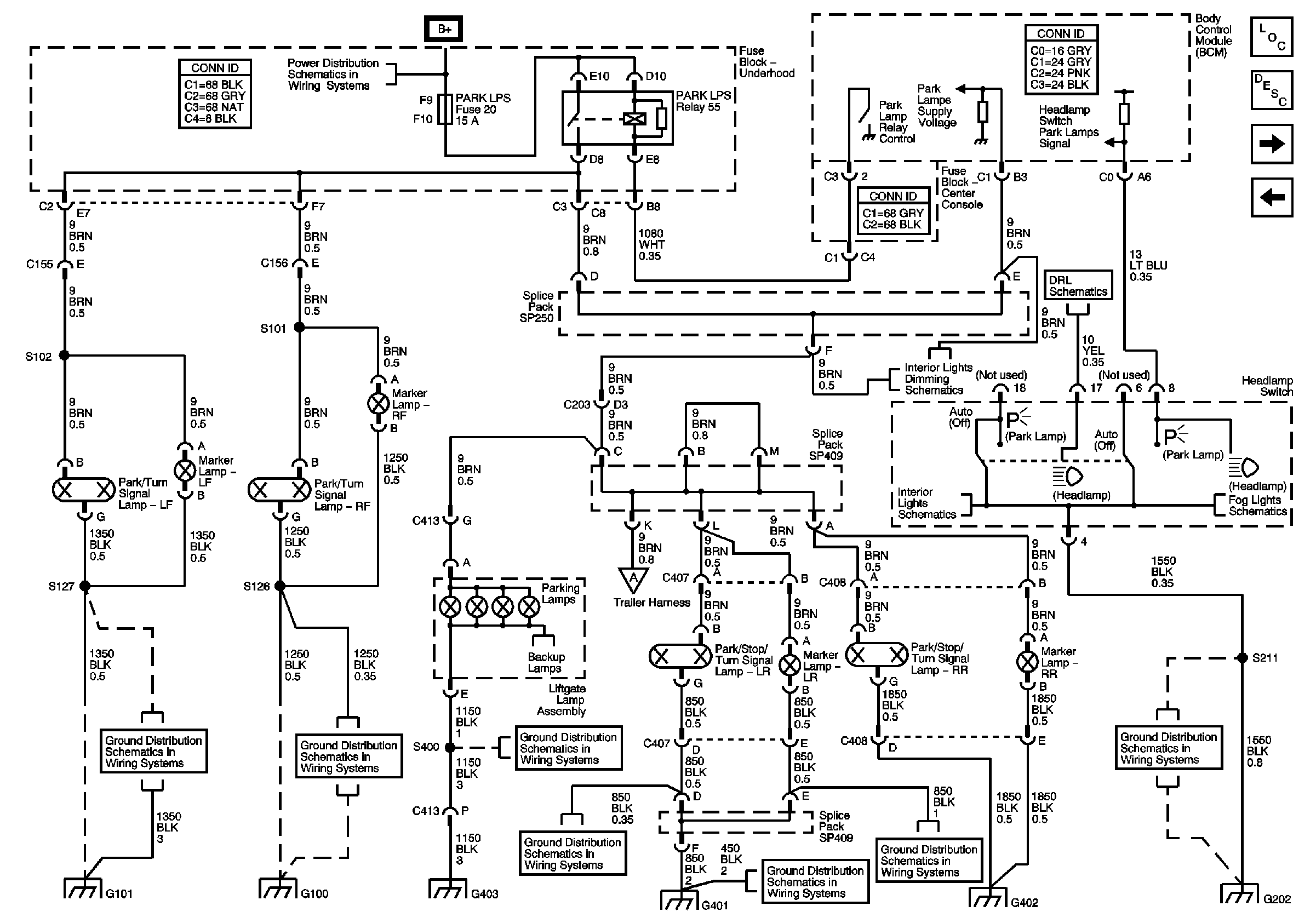
🢒 Park Lamps - Buick
Park Lamps - Buick
Park Lamps -- Buick
Master Electrical Component List
Hazard, Stop and Turn Signal Lamp Control
03 B Van Exterior Lights Schematics (Park Lamps-Pontiac)
Fuse Block - Underhood Buss
Panel Lamps - Buick, Page 2 of 2
Ground G101 - Buick
Ground G100 - Buick
Ground G401, 402 and 403-Buick
Ground G401, 402 and 403-Buick
Ground G202 - Buick
Ground G101 - Buick
Ground G100 - Buick
Ground G401, 402 and 403-Buick
Ground G401, 402 and 403-Buick
Ground G401, 402 and 403-Buick
Ground G202 - Buick