GM Service Manual Online
For 1990-2009 cars only
Makes
🢒
Pontiac
🢒
2004
🢒
Aztek - FWD
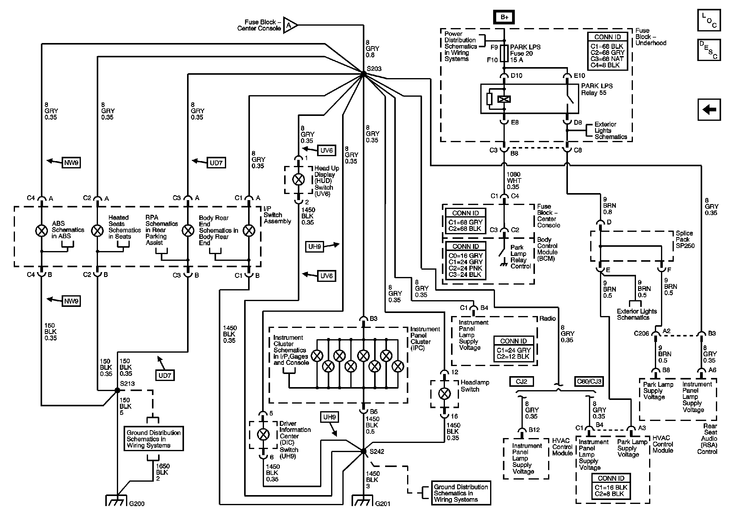
🢒 Panel Lamps - Buick, Page 2 of 2
Panel Lamps - Buick, Page 2 of 2
Panel Lamps 2 of 2 -- Buick
Master Electrical Component List
Dimming Control and Panel Lamps - Buick, Page 1 of 2
Rear Parking Assist (RPA) Module Power and Ground
Heated Seats Schematics
Lift Window, Endgate and Liftgate Actuators
Indicators
Park Lamps - Buick
Park Lamps - Buick
Ground G200 - Buick
Ground G200 - Buick
Ground G201 - Buick
Ground G201 - Buick