GM Service Manual Online
For 1990-2009 cars only
Makes
🢒
Pontiac
🢒
2004
🢒
Aztek - FWD
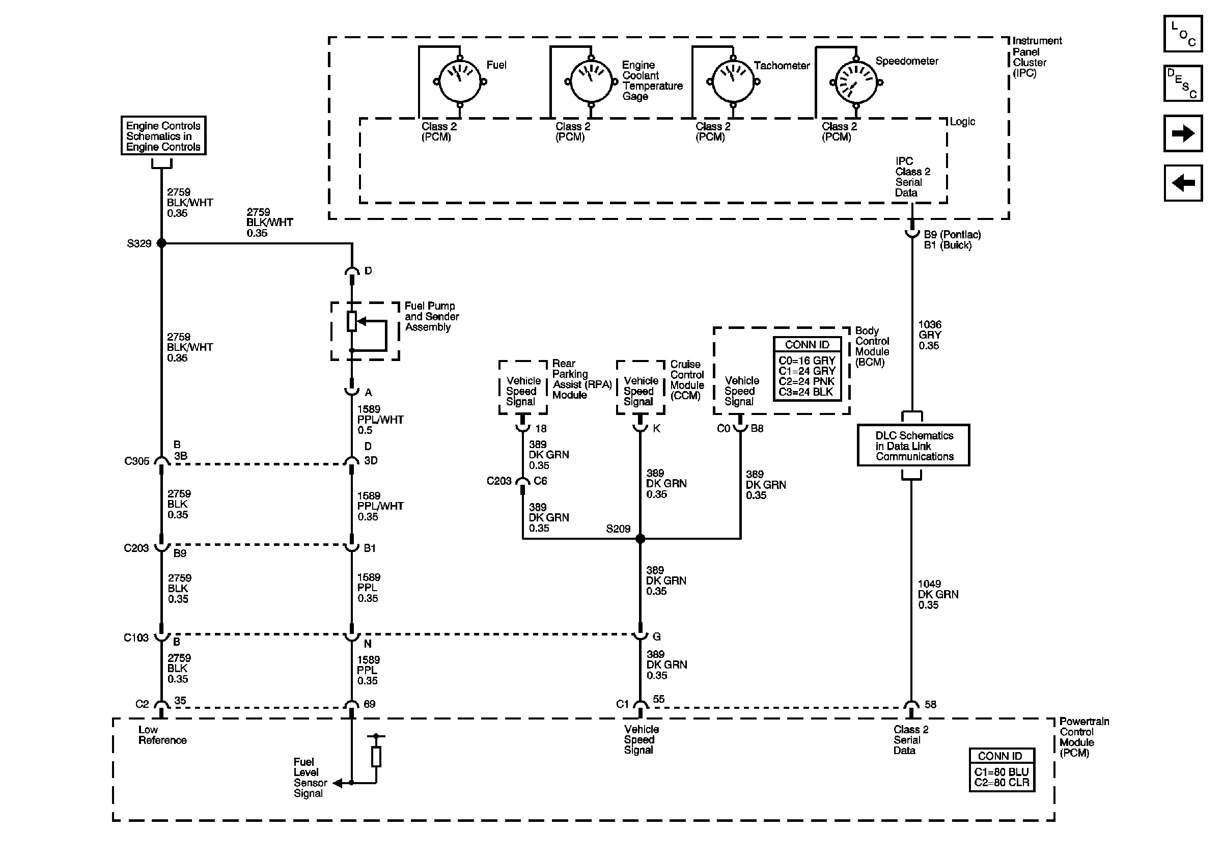
🢒 Gages
Gages
Gages
Master Electrical Component List
Driver Information Center (DIC)
Indicators
EGR, EVAP
Data Link Connector (DLC) Schematics