GM Service Manual Online
For 1990-2009 cars only
Makes
🢒
Pontiac
🢒
2004
🢒
Aztek - FWD
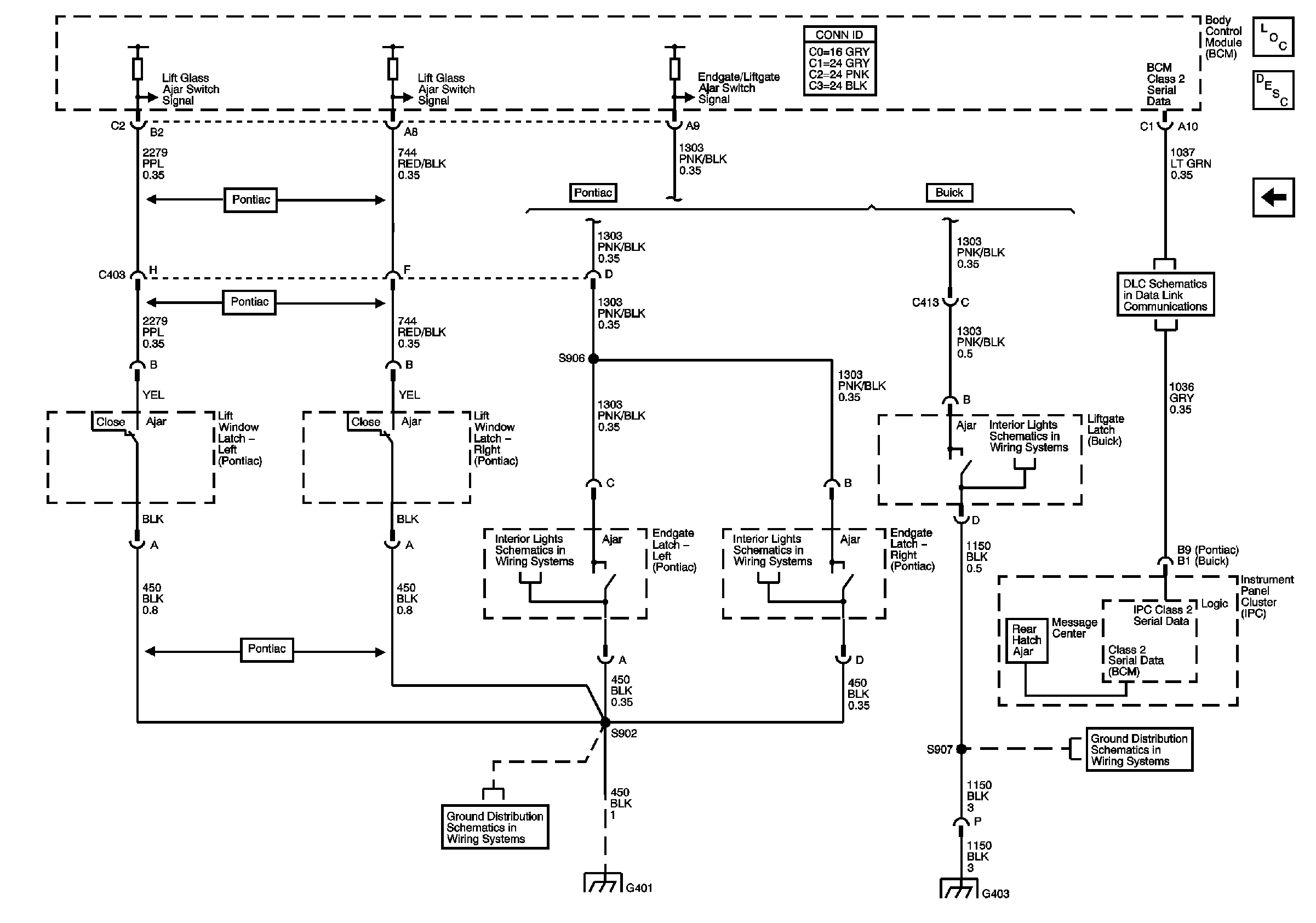
🢒 Ajar Indicators
Ajar Indicators
Ajar Indicators
Master Electrical Component List
Lift Window, Endgate and Liftgate Actuators
Data Link Connector (DLC) Schematics
Ground G401, G402, and G403 - Pontiac
Ground G401, G402, and G403 - Pontiac
Ground G401, 402 and 403-Buick