GM Service Manual Online
For 1990-2009 cars only
Makes
🢒
Pontiac
🢒
2005
🢒
Aztek - FWD
🢒
Body
🢒
Wiring Systems
🢒 Body Rear End Schematics
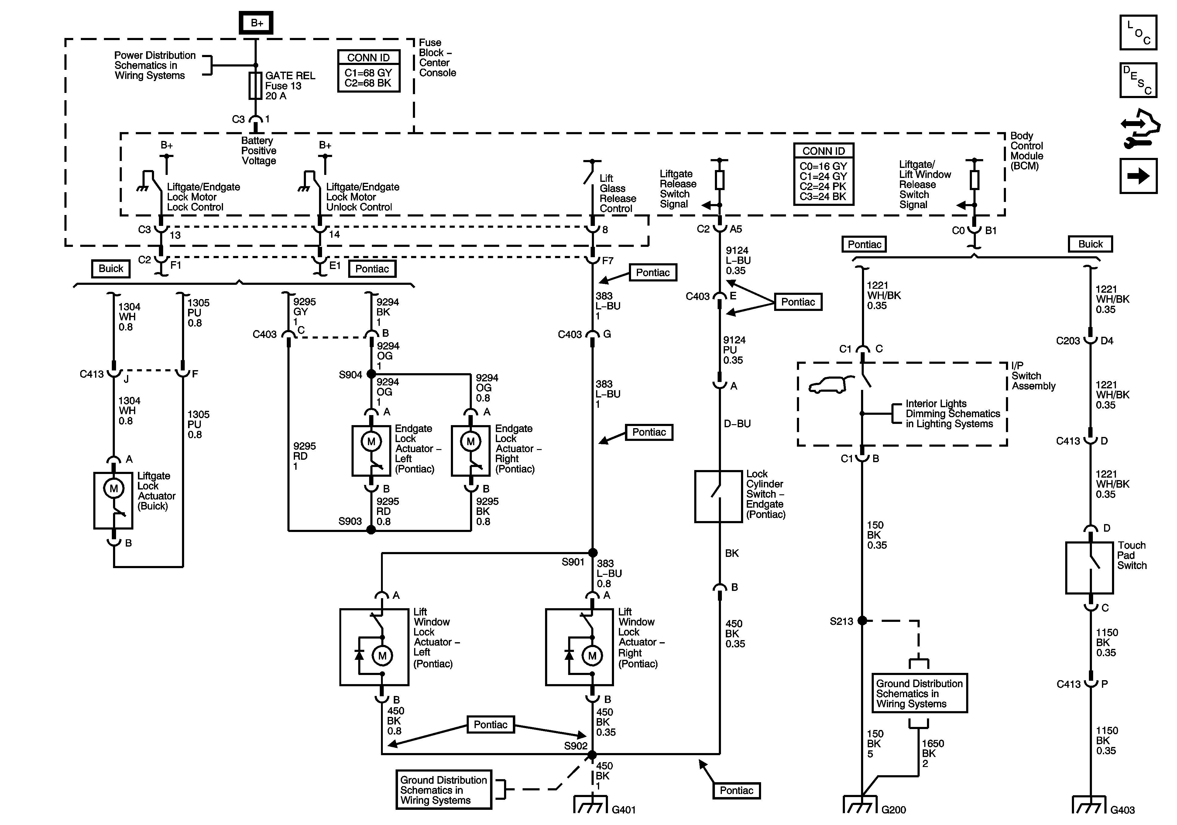
Figure
1:
Lift Window, Endgate and Liftgate Actuators
Master Electrical Component List
Rear Hatch/Gate Description and Operation Rendezvous
Control Module References
Ajar Indicators
BATT 2, BCM D, ELC BATT, GATE REL, PWR MIR, and RR AUX Fuses and PWR STS Circuit Breaker
Panel Lamps - Pontiac, Page 2 of 2
G200
G401
G401
G200
G402 and G403
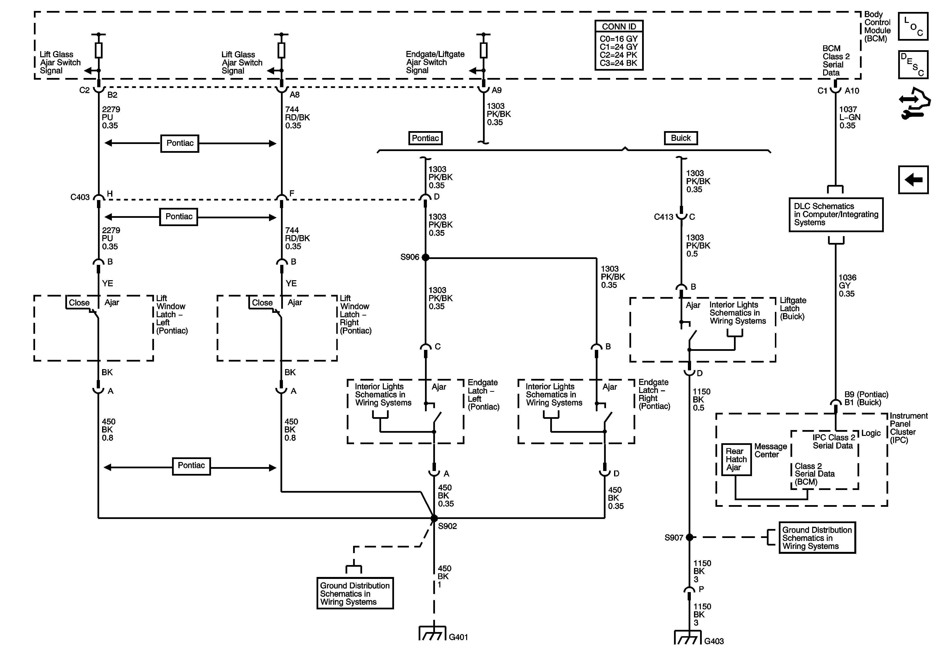
Figure
2:
Ajar Indicators
Master Electrical Component List
Rear Hatch/Gate Description and Operation Rendezvous
Control Module References
Lift Window, Endgate and Liftgate Actuators
Data Link Connector (DLC)
Lift Window, Endgate and Liftgate Switches
Lift Window, Endgate and Liftgate Switches
Lift Window, Endgate and Liftgate Switches
G401
G401
G402 and G403
G402 and G403