GM Service Manual Online
For 1990-2009 cars only
Makes
🢒
Pontiac
🢒
2005
🢒
Aztek - FWD
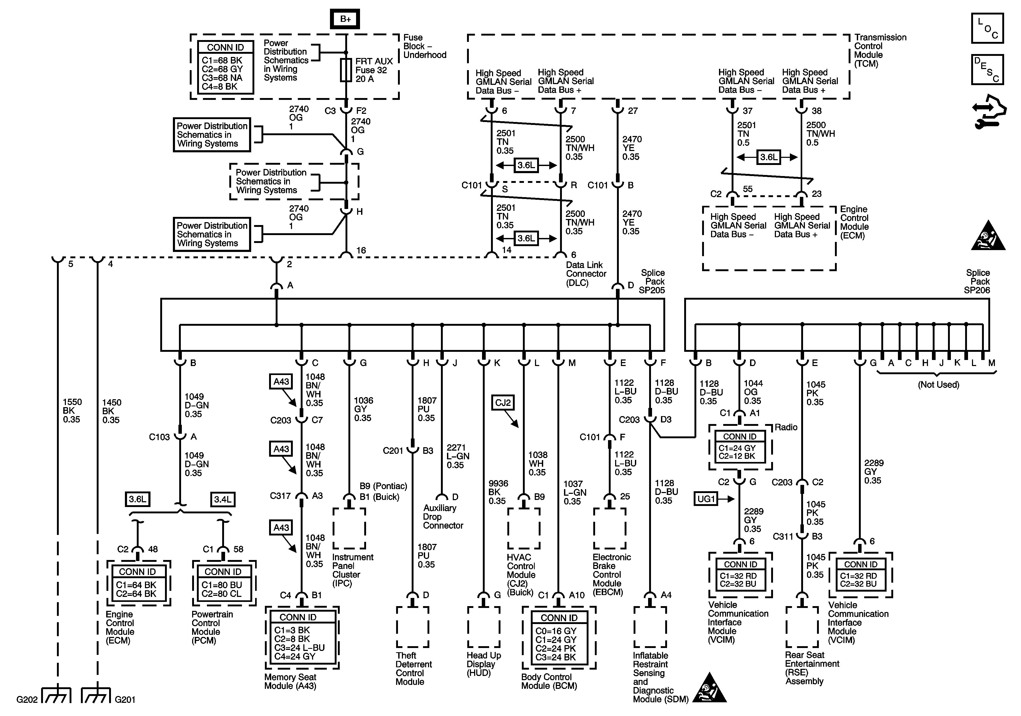
🢒 Data Link Connector (DLC)
Data Link Connector (DLC)
Master Electrical Component List
Retained Accessory Power (RAP) Description and Operation
Control Module References
SIR Caution for Zoning
B+ Bus 1 of 2
ABSMTR, ABS SOL, BCM, DVD, ECM (3.6L), FRT AUX, PCM (3.4L), S BAND, and VENT SOL Fuses
ABSMTR, ABS SOL, BCM, DVD, ECM (3.6L), FRT AUX, PCM (3.4L), S BAND, and VENT SOL Fuses
ABSMTR, ABS SOL, BCM, DVD, ECM (3.6L), FRT AUX, PCM (3.4L), S BAND, and VENT SOL Fuses
G202
G201
SIR Caution for Zoning