GM Service Manual Online
For 1990-2009 cars only
Makes
🢒
Pontiac
🢒
2005
🢒
Aztek - FWD
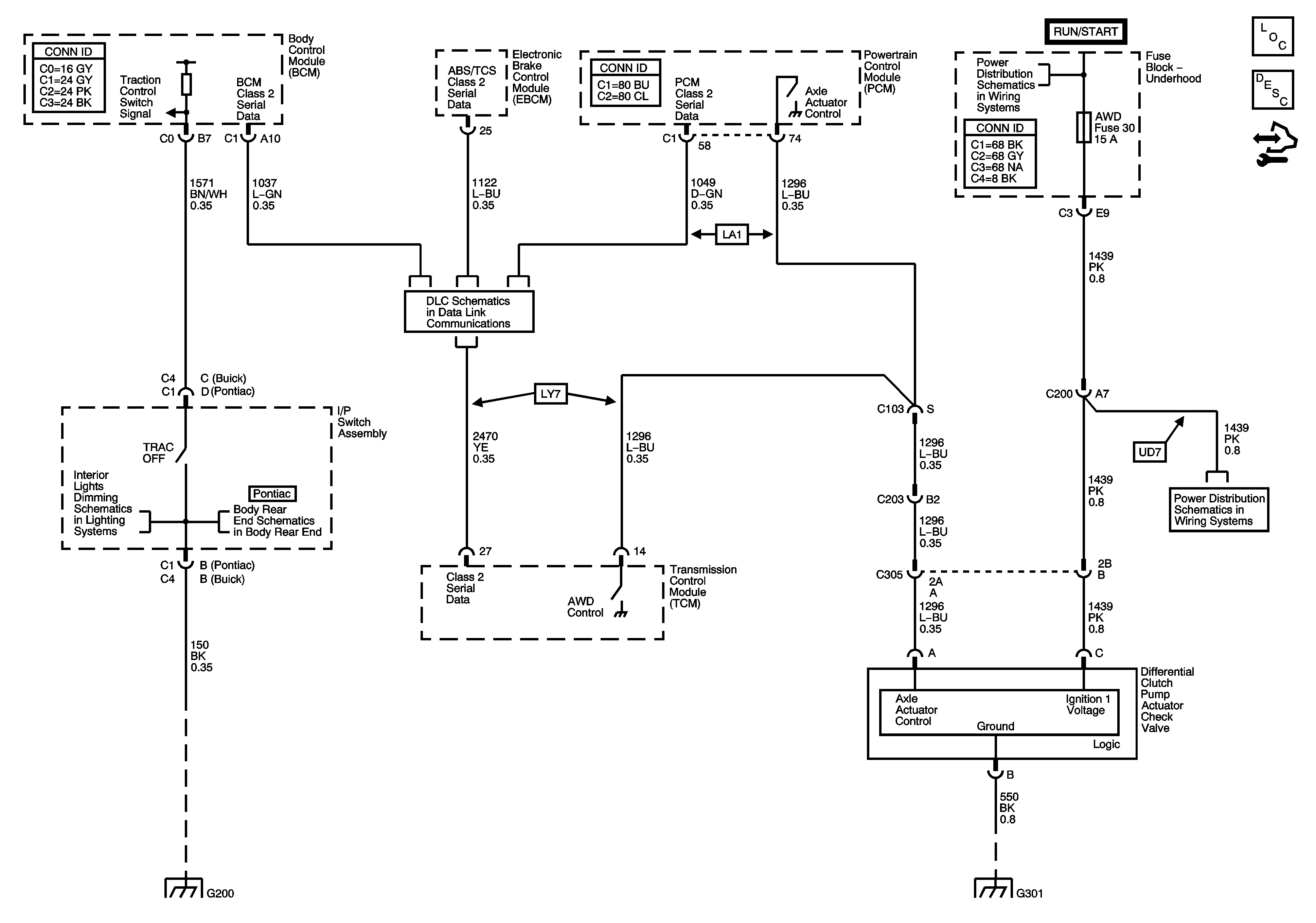
🢒 Differential Lock Schematics
Differential Lock Schematics
Master Electrical Component List
Control Module References
ABS, AWD, ELEC ENG, EMS DEV, O2 SENSORS Fuses, and IGNITION Relay - 3.4L
Data Link Connector (DLC)
Panel Lamps - Pontiac, Page 2 of 2
Lift Window, Endgate and Liftgate Actuators
ABS, AWD, ELEC ENG, EMS DEV, O2 SENSORS Fuses, and IGNITION Relay - 3.4L
G200
G301