GM Service Manual Online
For 1990-2009 cars only
Makes
🢒
Pontiac
🢒
2005
🢒
Aztek - FWD
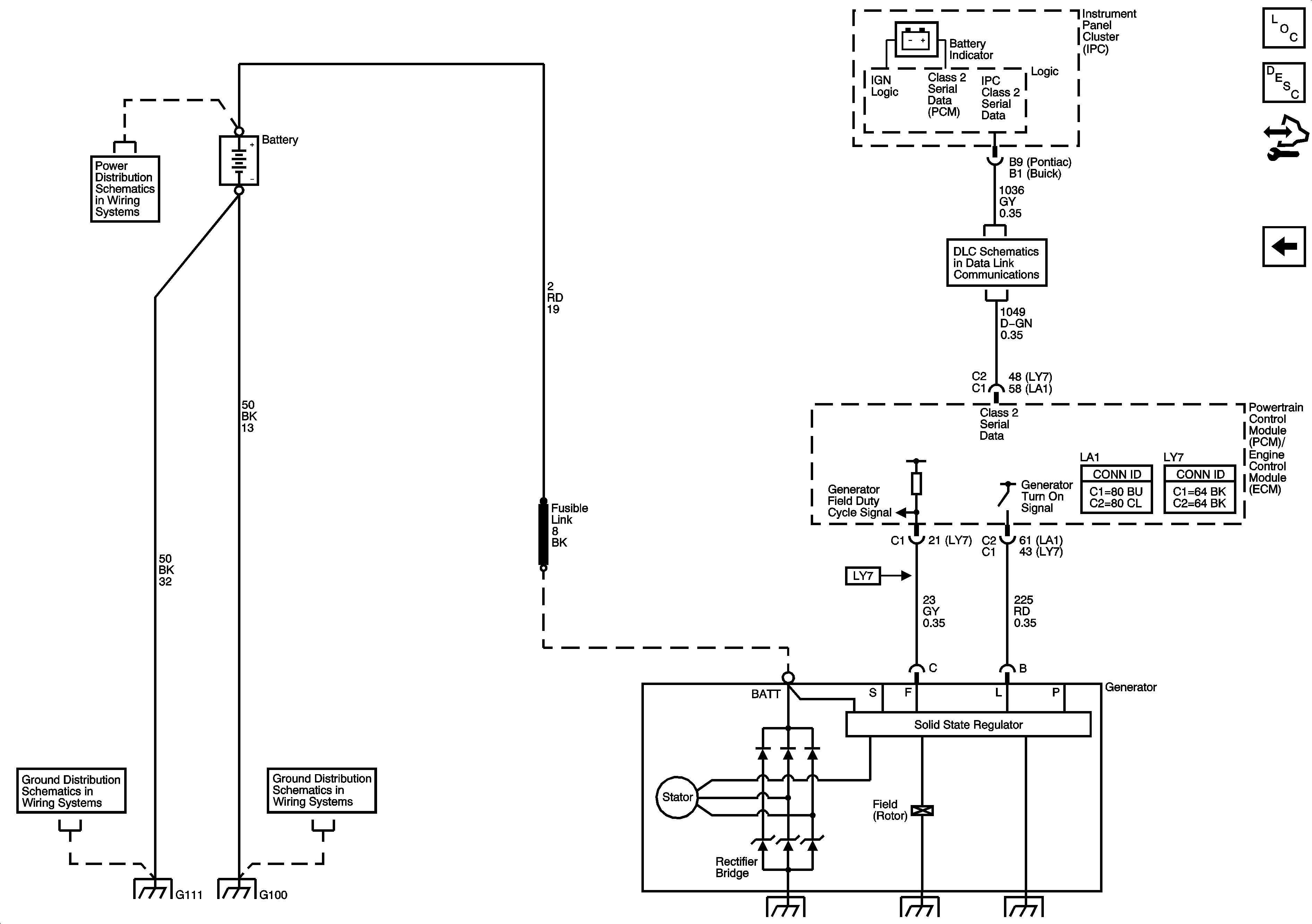
🢒 Charging Control, Indicator
Charging Control, Indicator
Charging Control, Indicator
Master Electrical Component List
Charging System Description and Operation
Control Module References
Engine Cranking
B+ Bus 1 of 2
Data Link Connector (DLC)
G132 - LY7 and G111
G100