GM Service Manual Online
For 1990-2009 cars only
Makes
🢒
Pontiac
🢒
2005
🢒
Aztek - FWD
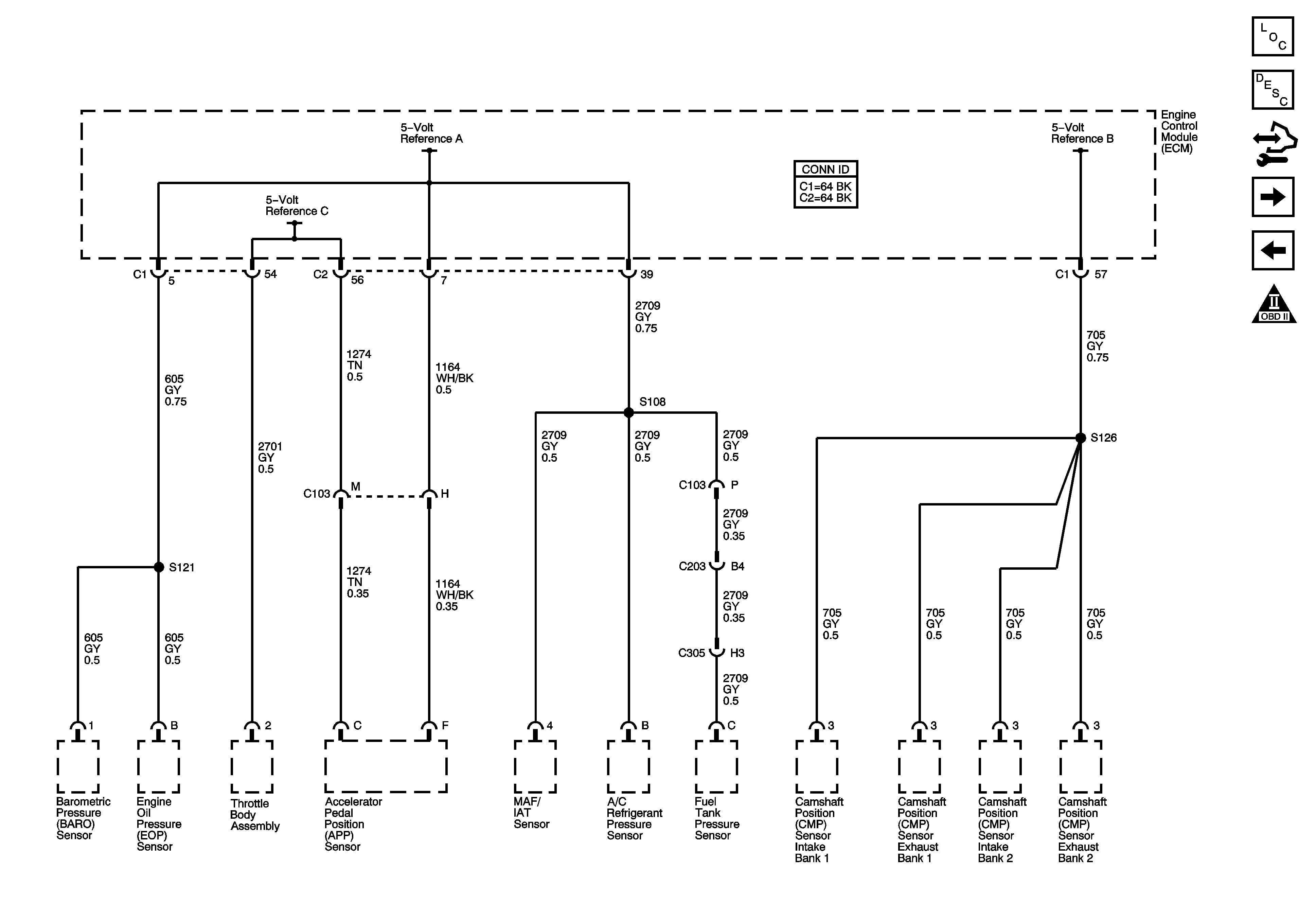
🢒 Engine Data Sensors - 5 Volt Reference Bus
Engine Data Sensors - 5 Volt Reference Bus
Engine Data Sensors - 5-Volt Reference Bus
Master Electrical Component List
Engine Control Module Description
Control Module References
Low Reference Bus
Underhood Fuse Block Main Relay 2 of 2
OBD II Symbol Description Notice