GM Service Manual Online
For 1990-2009 cars only
Makes
🢒
Pontiac
🢒
2005
🢒
Aztek - FWD
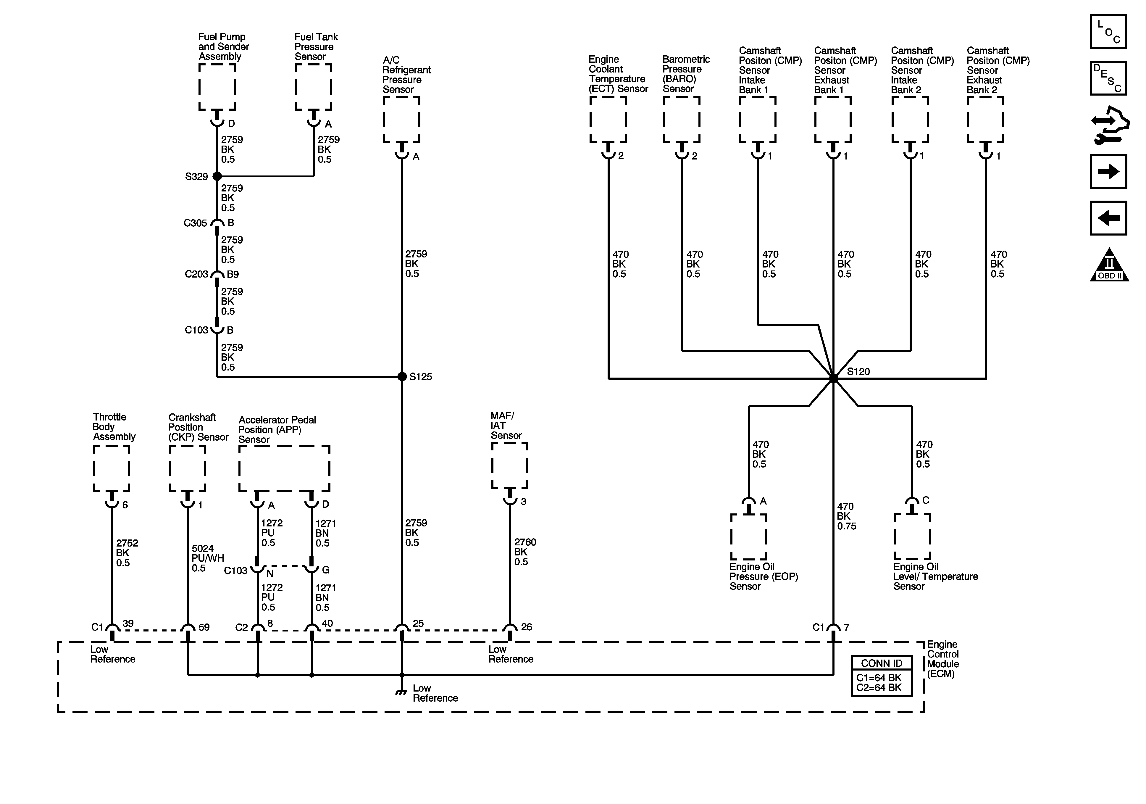
🢒 Low Reference Bus
Low Reference Bus
Engine Data Sensors - Low Reference Bus
Master Electrical Component List
Engine Control Module Description
Control Module References
Engine Data Sensors - BARO, ECT and MAF/IAT Sensors
Engine Data Sensors - 5 Volt Reference Bus
OBD II Symbol Description Notice