GM Service Manual Online
For 1990-2009 cars only
Makes
🢒
Pontiac
🢒
2005
🢒
Aztek - FWD
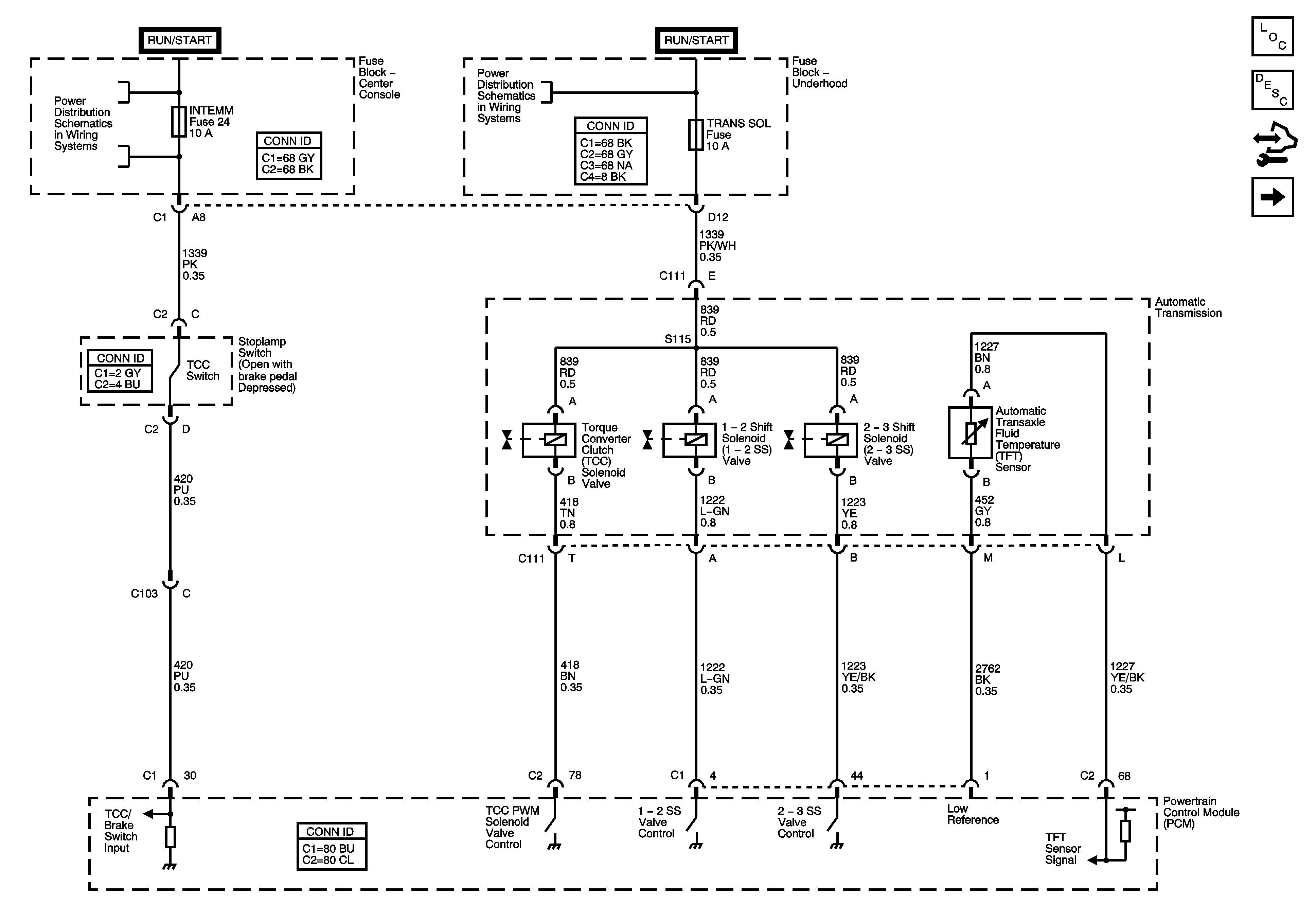
🢒 ICC Solenoid Control, SS Valve Cont. and TFT Sensor - 3.4L
ICC Solenoid Control, SS Valve Cont. and TFT Sensor - 3.4L
TCC Solenoid Control, SS Valve Control and TFT Sensor
Master Electrical Component List
Electronic Component Description
Control Module References
Switches, ISS and Pressure Control - 3.4L
Ignition Switch - ACCY/RUN, and RUN/START Bus Bars, and BCM-ACC, IGN 1 MDL, INTEMM, and SIR Fuses
FUEL INJ and TRANS SOL Fuses - 3.4L