GM Service Manual Online
For 1990-2009 cars only
Makes
🢒
Pontiac
🢒
2005
🢒
Aztek - FWD
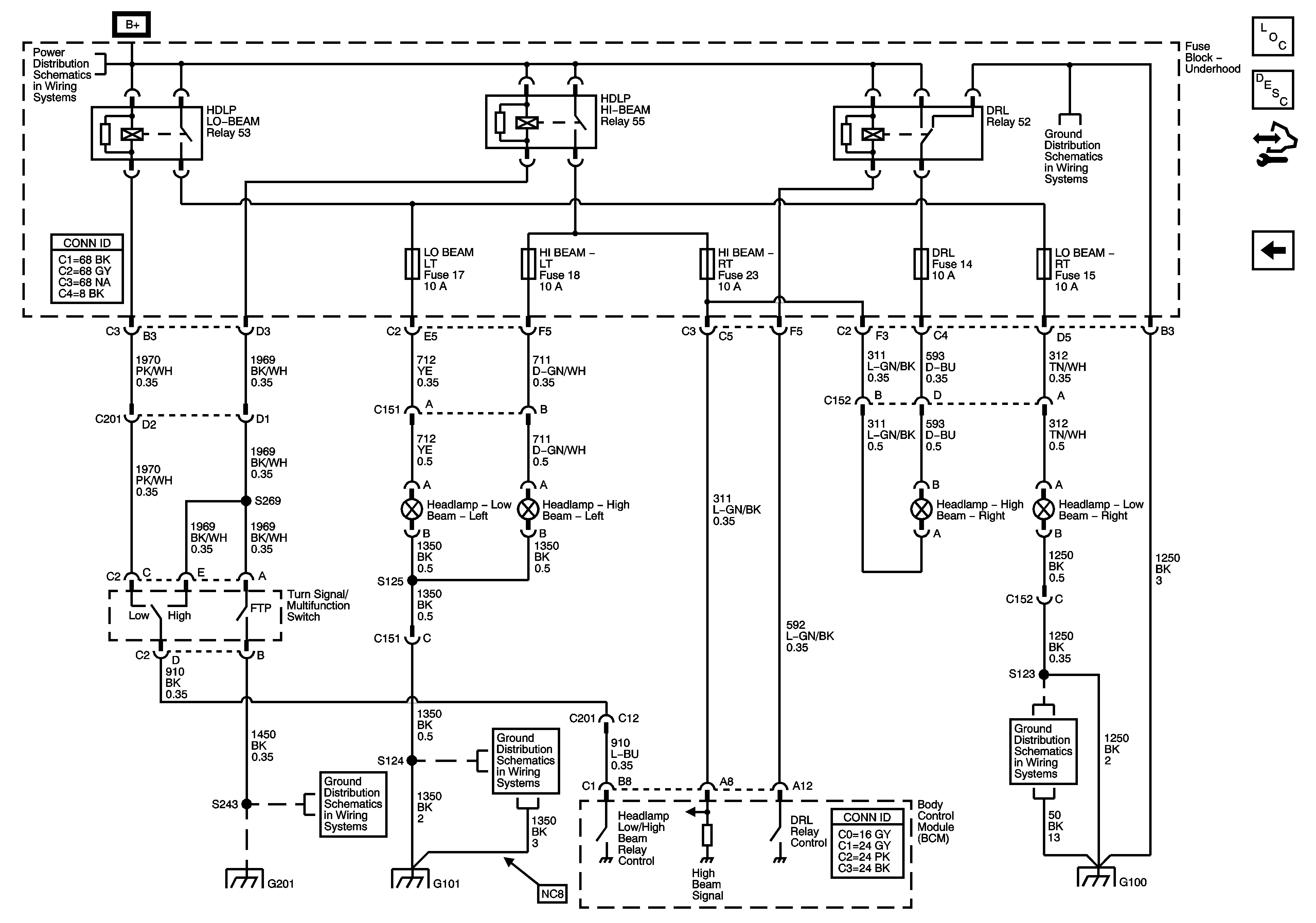
🢒 Dimming, Lamps and Relays
Dimming, Lamps and Relays
Dimming, Lamps, and Relays
Master Electrical Component List
Exterior Lighting Systems Description and Operation
Control Module References
Indicators, Lamp Control)
B+ Bus 1 of 2
G100
G201
G101
G100
G201
G101
G100