GM Service Manual Online
For 1990-2009 cars only
Makes
🢒
Pontiac
🢒
2005
🢒
Aztek - FWD
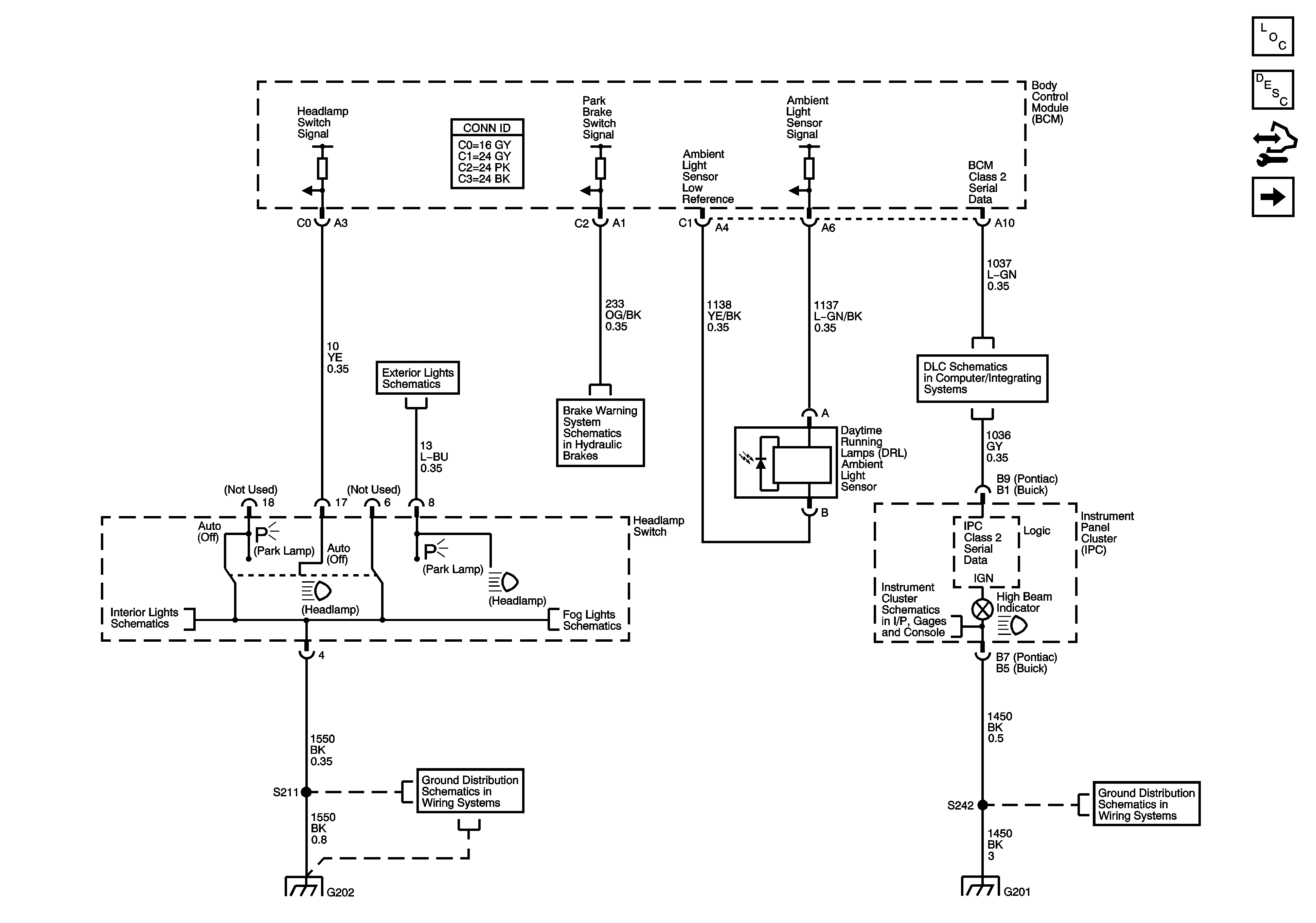
🢒 Indicators, Lamp Control)
Indicators, Lamp Control)
Indicator, Lamp Control
Master Electrical Component List
Exterior Lighting Systems Description and Operation
Control Module References
Dimming, Lamps and Relays
Park Lamps - Pontiac (Early Production)
Brake Warning System Schematics
Data Link Connector (DLC)
Interior Lights Schematics (I/P Lighting, Lamp Control)
Turn/Stop Lamps and Indicators
Indicators
G202
G202
G201
G201