GM Service Manual Online
For 1990-2009 cars only
Makes
🢒
Pontiac
🢒
2005
🢒
Aztek - FWD
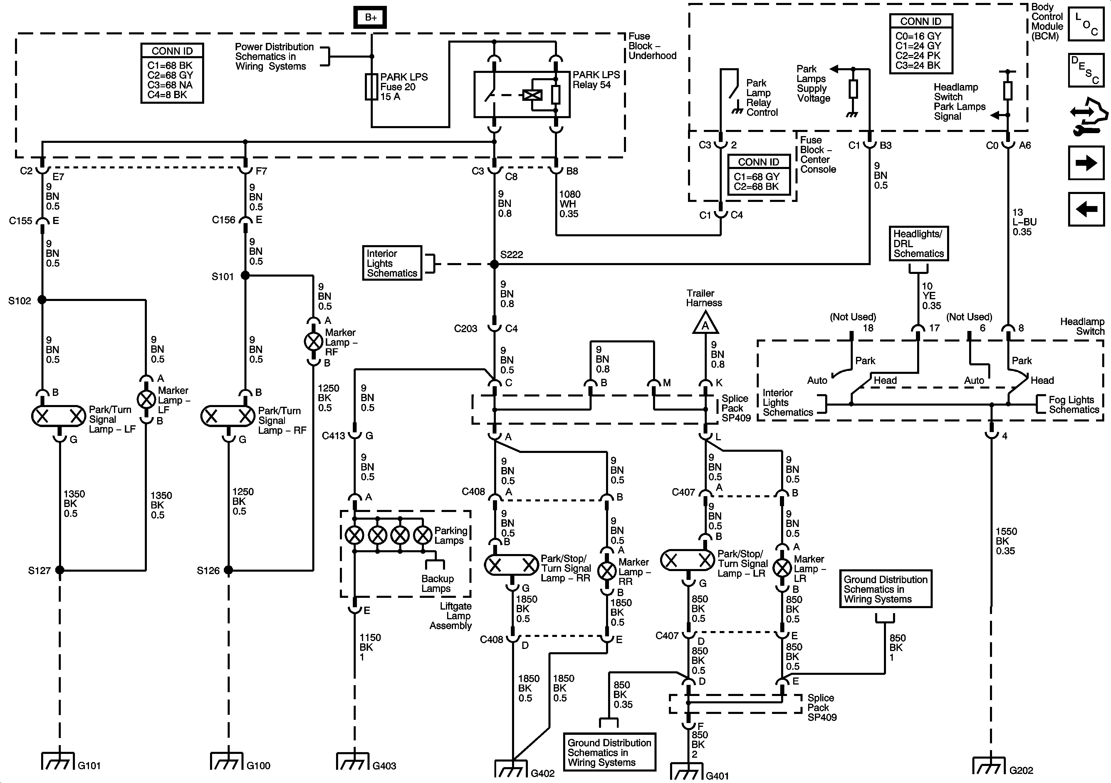
🢒 Park Lamps - Buick (Late Production)
Park Lamps - Buick (Late Production)
Park Lamps - Buick (Late Production)
Master Electrical Component List
Exterior Lighting Systems Description and Operation
Control Module References
Turn Signal/Hazard Control
Park Lamps - Buick (Early Production)
B+ Bus 1 of 2
Panel Lamps - Buick, Page 2 of 2
Indicators, Lamp Control)
Trailer Harness
Interior Lights Schematics (I/P Lighting, Lamp Control)
Fog Lights Schematics
Backup Lamps
G101
G100
G402 and G403
G402 and G403
G401
G401
G401
G202