GM Service Manual Online
For 1990-2009 cars only
Makes
🢒
Pontiac
🢒
2005
🢒
Aztek - FWD
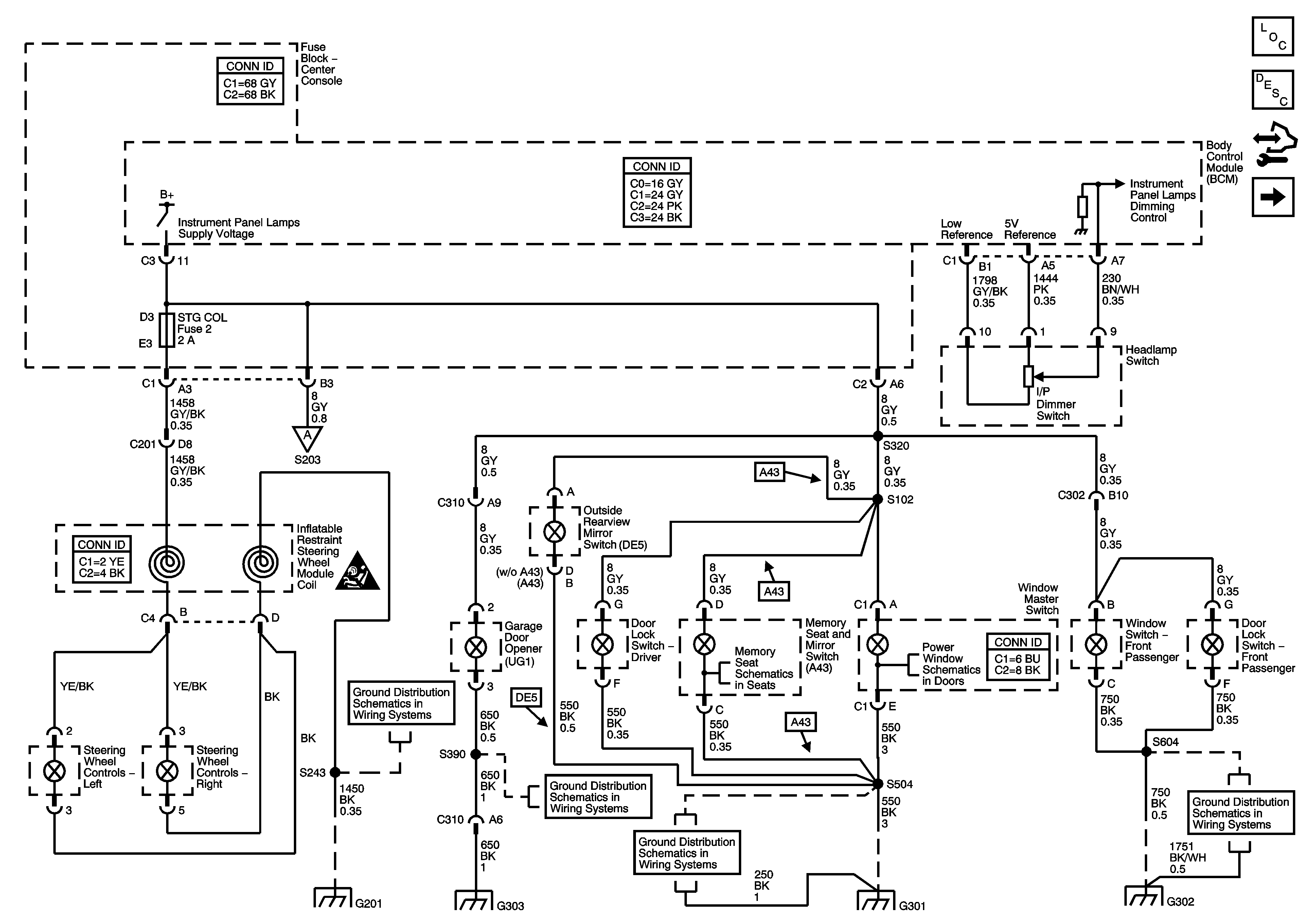
🢒 Dimming Control and Panel Lamps 1 of 2-Buick
Dimming Control and Panel Lamps 1 of 2-Buick
Dimming Controls and Panel Lamps - Buick - 1 of 2
Master Electrical Component List
Interior Lighting Systems Description and Operation
Control Module References
Panel Lamps - Buick, Page 2 of 2
Panel Lamps - Buick, Page 2 of 2
SIR Caution for Zoning
G201
G201
G303
G303
G301
G301
Memory Seat
Power Window Schematics
G302
G302