GM Service Manual Online
For 1990-2009 cars only
Makes
🢒
Pontiac
🢒
2005
🢒
Aztek - FWD
🢒 Memory Seat
Memory Seat
Memory Seat
Master Electrical Component List
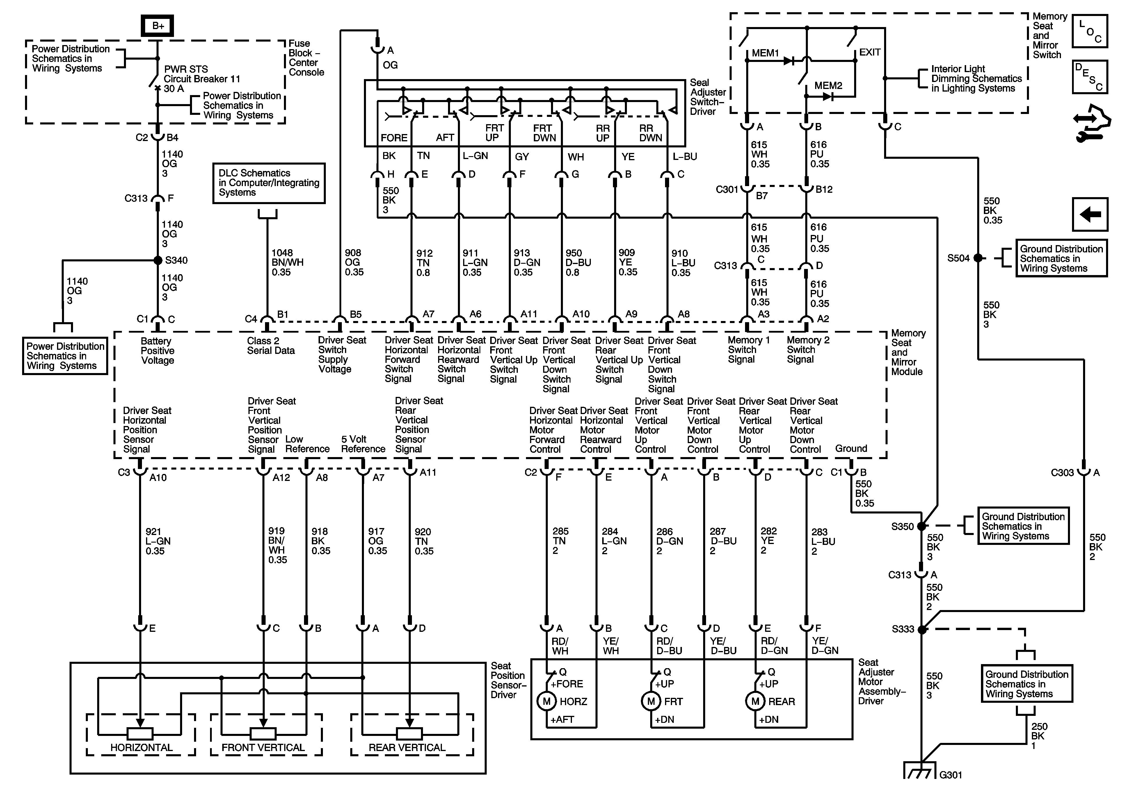
Memory Seats Description and Operation
Control Module References
Driver Power and Heat Seat
BATT 2, BCM D, ELC BATT, GATE REL, PWR MIR, and RR AUX Fuses and PWR STS Circuit Breaker
BATT 2, BCM D, ELC BATT, GATE REL, PWR MIR, and RR AUX Fuses and PWR STS Circuit Breaker
Data Link Connector (DLC)
BATT 2, BCM D, ELC BATT, GATE REL, PWR MIR, and RR AUX Fuses and PWR STS Circuit Breaker
Dimming Control and Panel Lamps 1 of 2-Buick
G301
G301
G301
G301