GM Service Manual Online
For 1990-2009 cars only
Makes
🢒
Pontiac
🢒
2005
🢒
Aztek - FWD
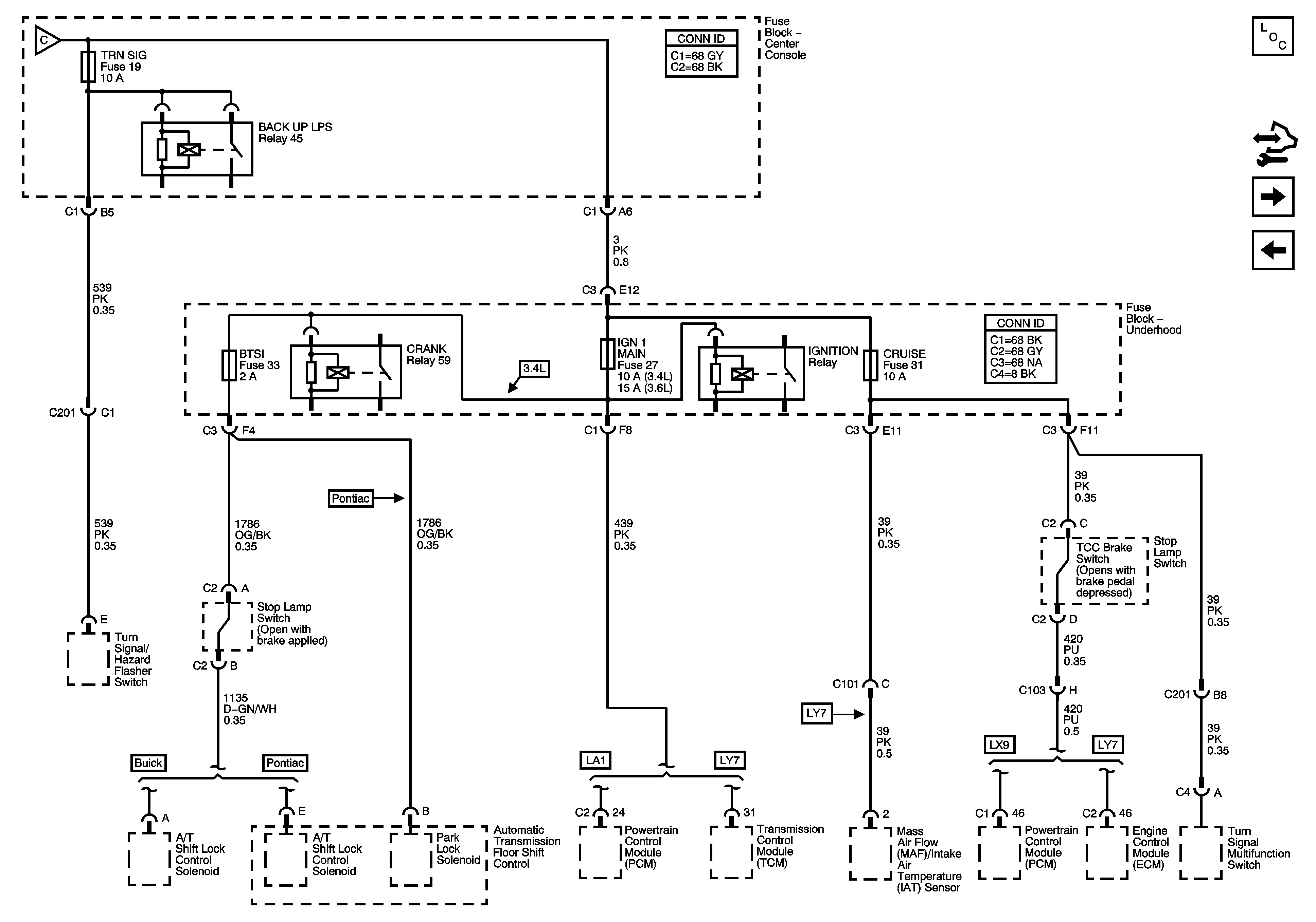
🢒 BTSI (3.4L), CRUISE, IGN 1 MAIN, and TRN SIG Fuses
BTSI (3.4L), CRUISE, IGN 1 MAIN, and TRN SIG Fuses
BTSI (3.4L), CRUISE, IGN 1 MAIN, and TRN SIG Fuses
Master Electrical Component List
Control Module References
BATT 2, BCM D, ELC BATT, GATE REL, PWR MIR, and RR AUX Fuses and PWR STS Circuit Breaker
Ignition Switch - ACCY/RUN, and RUN/START Bus Bars, and BCM-ACC, IGN 1 MDL, INTEMM, and SIR Fuses
Ignition Switch - ACCY/RUN, and RUN/START Bus Bars, and BCM-ACC, IGN 1 MDL, INTEMM, and SIR Fuses